数控机床上下料机械手设计(ID:1056911)
# | 文件名称 | 文件大小 |
---|---|---|
1 | 17098064046344.zip | 3.65M |
2 | PLC接线图-1号-Model.jpg | 231.27K |
3 | 制造云产品模型:海量3D模型,零部件、整机、设备-副本.url | 197B |
4 | 制造云视频:海量视频、软件教程、创新科技、生产制造、教学课件.url | 197B |
5 | 和图-0号-Model.jpg | 221.38K |
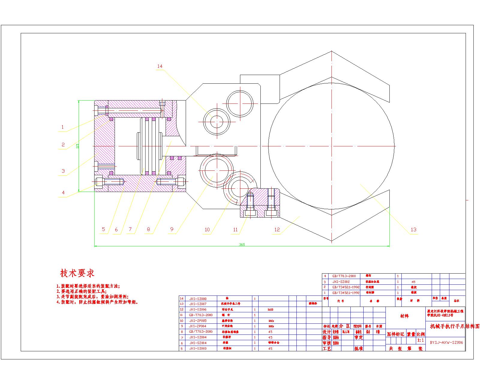
6 | 手爪-2号-Model.jpg | 215.64K |
7 | 手爪-2号-布局1.jpg | 219.76K |
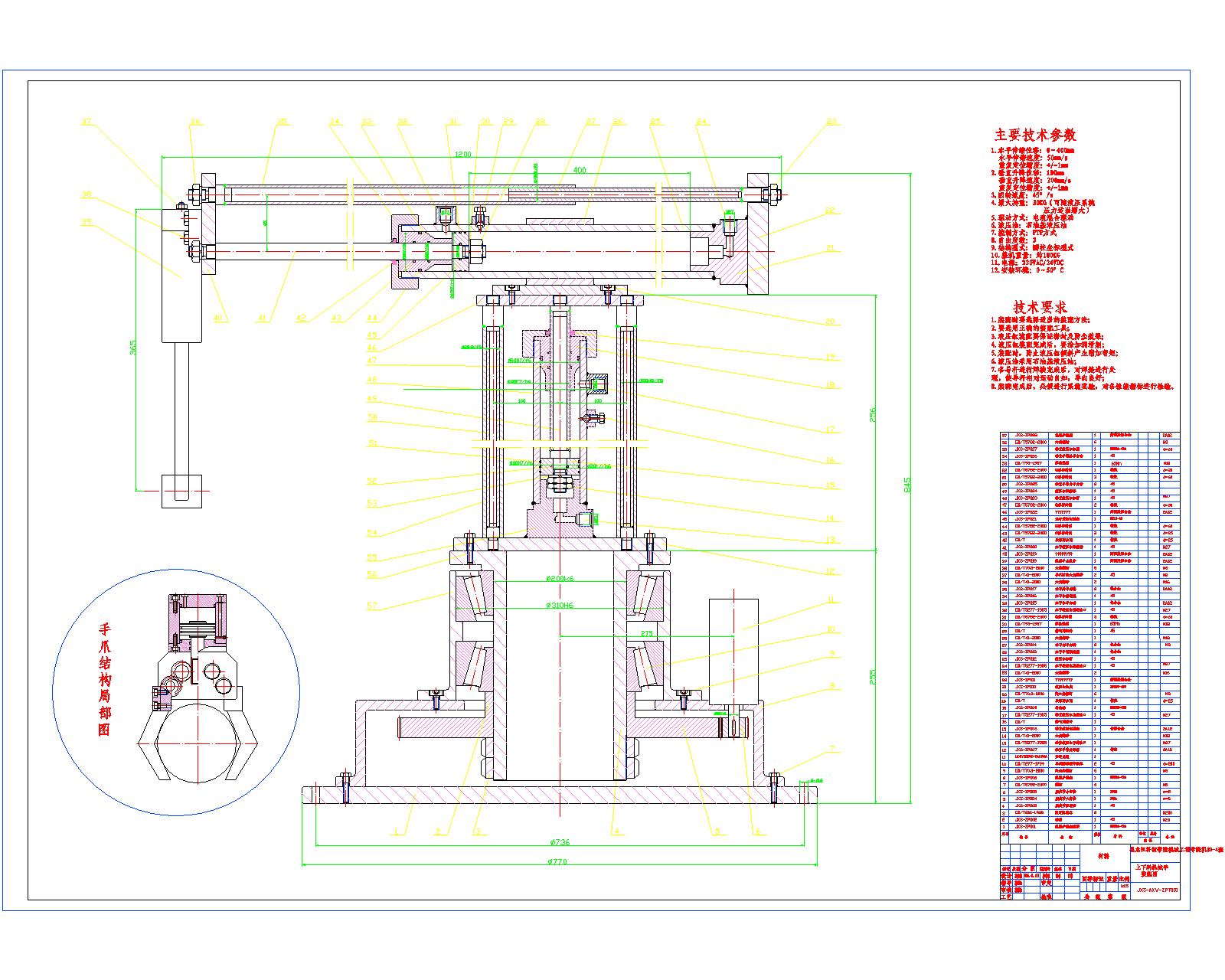
8 | 整体装配图-0号-Model.jpg | 301.19K |
9 | 新建文本文档.txt | 1.25K |
10 | 模型-w644.jpg | 255.63K |
11 | 液压系统图-1号-Model.jpg | 169.25K |
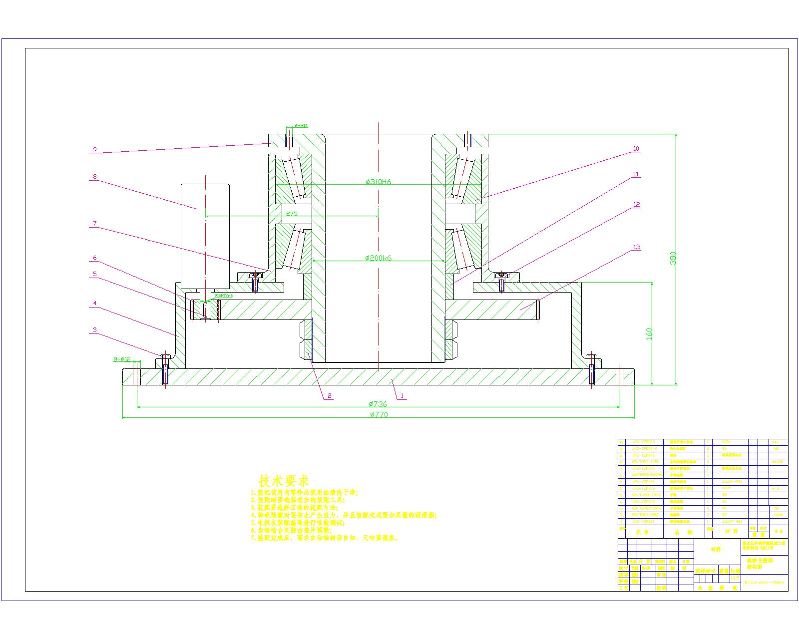
12 | 腰部结构图-1号-Model.jpg | 185.42K |
13 | 视频-w644.jpg | 256.90K |
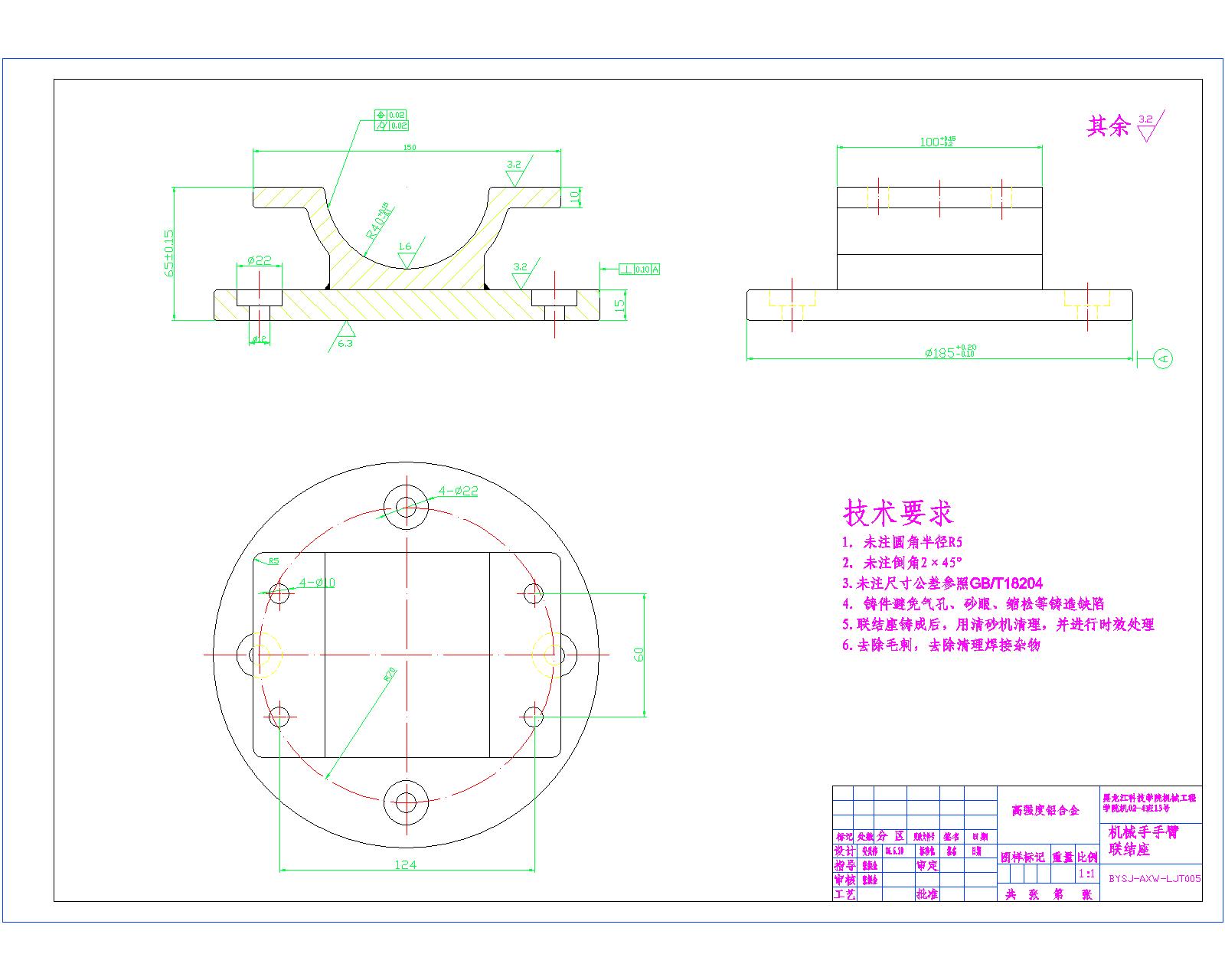
14 | 连接座零件图-2号-Model.jpg | 164.50K |
15 | PLC接线图-1号.dwg | 66.06K |
16 | 和图-0号.dwg | 156.74K |
17 | 和图0号.dwg | 126.44K |
18 | 手爪-2号.dwg | 85.87K |
19 | 整体装配图-0号.dwg | 176.17K |
20 | 液压系统图-1号.dwg | 97.22K |
21 | 腰部结构图-1号.dwg | 56.62K |
22 | 连接座零件图-2号.dwg | 45.03K |
23 | 任务书.doc | 37.00K |
24 | 数控机床上下料机械手设计.pdf | 898.32K |
25 | 数控机床上下料机械手设计(含CAD图纸).doc | 1.21M |
26 | 毕业设计说明书摘要目录2.doc | 38.00K |
27 | 毕业设计说明书摘要目录2.pdf | 142.56K |
此图纸下载需要66金币
立即下载
发布者
代做毕业设计 需要加微信
创作: 70402
粉丝: 549
加入时间:2024-03-01

模型信息
图纸格式:dwg,pdf
文件大小:3.74M
所需金币:66
上传时间:2024-03-07 18:13:24
是否可编辑:可修改,包括参数
版本:AutoCAD 2004
标签
图纸简介
版权说明
用户在本站上传的作品如侵犯到您的权益,请与本站管理员联系删除。用户在本站下载的原创作品,只拥有作品的使用权,著作权归原作者所有,未经合法授权,用户不得以任何形式发布、传播、复制、转售该作品。