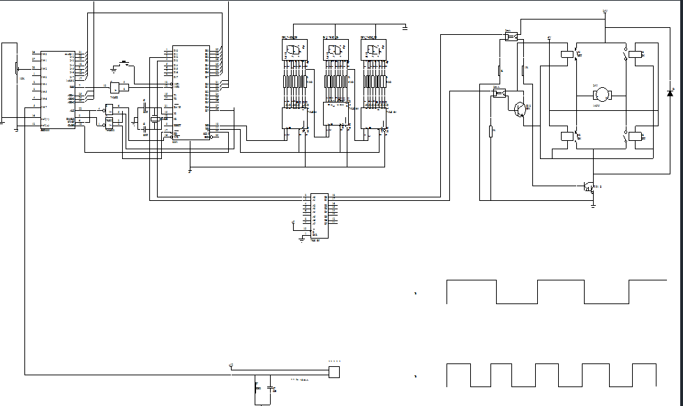
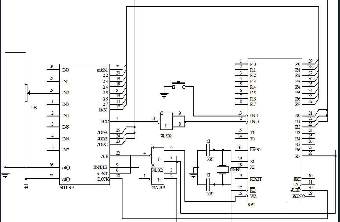
电动自行车调速系统的设计(ID:1085348)
# | 文件名称 | 文件大小 |
---|---|---|
1 | 17100903755549.zip | 526.53K |
2 | 1.png | 36.87K |
3 | 2.png | 23.20K |
4 | 3.png | 44.49K |
5 | 内容.png | 37.94K |
6 | 摘要.png | 56.12K |
7 | 目录.png | 16.72K |
8 | 264-300.dwg | 36.43K |
9 | Drawing1.dwg | 41.16K |
10 | Drawing2.dwg | 44.71K |
11 | 任务书.doc | 35.00K |
12 | 封面.doc | 26.50K |
13 | 摘要.doc | 27.00K |
14 | 电动自行车调速系统的设计.doc | 388.00K |
15 | 目录.doc | 23.50K |
此图纸下载需要200金币
立即下载
发布者
代做毕业设计 需要加QQ495515103
创作: 70484
粉丝: 556
加入时间:2024-03-01

模型信息
图纸格式:dwg
文件大小:539.16KB
所需金币:200
上传时间:2024-03-11 01:06:15
是否可编辑:可修改,包括参数
版本:AutoCAD 2004
标签
图纸简介
版权说明
用户在本站上传的作品如侵犯到您的权益,请与本站管理员联系删除。用户在本站下载的原创作品,只拥有作品的使用权,著作权归原作者所有,未经合法授权,用户不得以任何形式发布、传播、复制、转售该作品。
作者其它图纸 查看更多