5A046--电梯自动控制系统的设计(ID:1196801)
| # | 文件名称 | 文件大小 |
|---|---|---|
| 1 | 17114503555951.zip | 620.39K |
| 2 | 5A046-电梯自动控制系统的设计.zip | 310.44K |
| 3 | Drawing1.dwg | 29.63K |
| 4 | Drawing16.dwg | 30.08K |
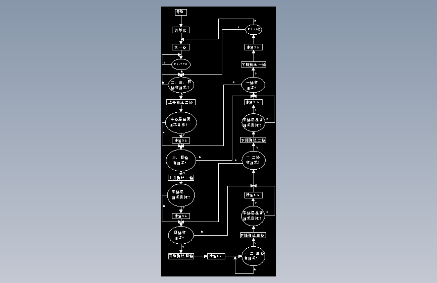
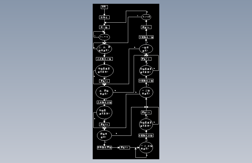
| 5 | 主程序流程图.dwg | 39.85K |
| 6 | 定时器T1中断程序流程.dwg | 30.24K |
| 7 | 毕业设计任务书.doc | 34.50K |
| 8 | 毕业设计说明书目录.doc | 48.50K |
| 9 | 电梯自动控制系统的设计.doc | 420.50K |
| 10 | 电气原理图.dwg | 72.22K |
| 11 | Drawing1.dwg | 29.63K |
| 12 | Drawing16.dwg | 30.08K |
| 13 | 主程序流程图.dwg | 39.85K |
| 14 | 定时器T1中断程序流程.dwg | 30.24K |
| 15 | 毕业设计任务书.doc | 34.50K |
| 16 | 毕业设计说明书目录.doc | 48.50K |
| 17 | 电梯自动控制系统的设计.doc | 420.50K |
| 18 | 电气原理图.dwg | 72.22K |
此图纸下载需要125金币
立即下载
发布者
拼搏的高山
创作: 6443
粉丝: 78
加入时间:2023-12-13
模型信息
图纸格式:dwg
文件大小:635.28KB
所需金币:125
上传时间:2024-03-26 18:52:36
是否可编辑:可修改,包括参数
版本:AutoCAD 2004
标签
图纸简介
版权说明
用户在本站上传的作品如侵犯到您的权益,请与本站管理员联系删除。用户在本站下载的原创作品,只拥有作品的使用权,著作权归原作者所有,未经合法授权,用户不得以任何形式发布、传播、复制、转售该作品。
作者其它图纸 查看更多

0.png)
0.png)
0.png)
0.png)
0.png)