电梯自动控制系统的设计(ID:1205099)
| # | 文件名称 | 文件大小 |
|---|---|---|
| 1 | 17116359707872.zip | 310.44K |
| 2 | Drawing1.dwg | 29.63K |
| 3 | Drawing16.dwg | 30.08K |
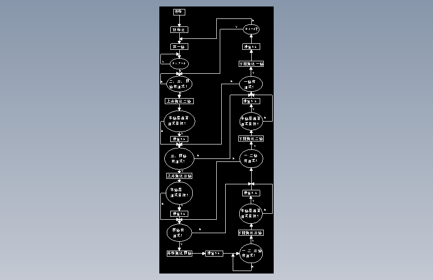
| 4 | 主程序流程图.dwg | 39.85K |
| 5 | 定时器T1中断程序流程.dwg | 30.24K |
| 6 | 毕业设计任务书.doc | 34.50K |
| 7 | 毕业设计说明书目录.doc | 48.50K |
| 8 | 电梯自动控制系统的设计.doc | 420.50K |
| 9 | 电气原理图.dwg | 72.22K |
此图纸下载需要200金币
立即下载
发布者
代做毕业设计 需要可私信
创作: 71564
粉丝: 571
加入时间:2024-03-01
模型信息
图纸格式:dwg
文件大小:317.89KB
所需金币:200
上传时间:2024-03-28 22:26:10
是否可编辑:可修改,包括参数
版本:AutoCAD 2004
标签
图纸简介
版权说明
用户在本站上传的作品如侵犯到您的权益,请与本站管理员联系删除。用户在本站下载的原创作品,只拥有作品的使用权,著作权归原作者所有,未经合法授权,用户不得以任何形式发布、传播、复制、转售该作品。
作者其它图纸 查看更多
猜你喜欢

0.png)
0.png)
0.png)
0.png)
0.png)