笔  三维图纸和CAD图纸(ID:1234508)
            
            | # | 文件名称 | 文件大小 | 
|---|---|---|
| 1 | 17123968795634.rar | 804.00K | 
| 2 | 1.DWG | 79.07K | 
| 3 | zong装配体.SLDASM | 666.39K | 
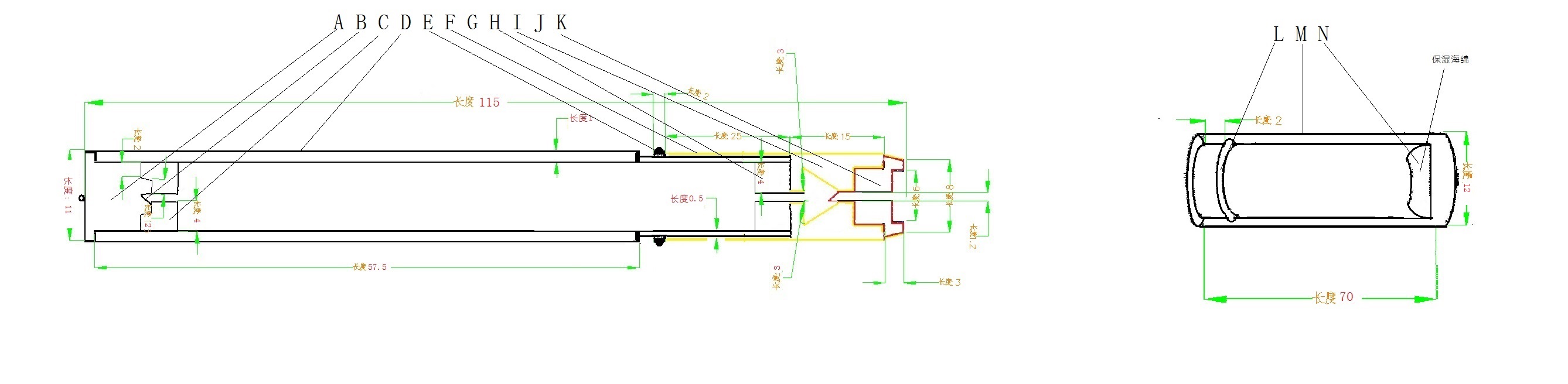
| 4 | 图11有图注.jpg | 176.96K | 
此图纸下载需要8金币
                            立即下载
                                    
            发布者
				2D+3D代画咨询头像
					        创作: 37833
					            粉丝: 365
					        加入时间:2023-05-02
					    
					模型信息
                图纸格式:dwg,sldasm
                    文件大小:823.3KB
                    所需金币:8
                    上传时间:2024-04-06 17:48:00
                    是否可编辑:可修改,包括参数
                    版本:SOLIDWORKS 2019
                标签
                图纸简介
			    
			版权说明
                用户在本站上传的作品如侵犯到您的权益,请与本站管理员联系删除。用户在本站下载的原创作品,只拥有作品的使用权,著作权归原作者所有,未经合法授权,用户不得以任何形式发布、传播、复制、转售该作品。
            作者其它图纸 查看更多
                
            
0.png)

1.png)
2.png)
3.png)
4.png)