绞车液压系统设计(1)(ID:1524911)
            
            | # | 文件名称 | 文件大小 | 
|---|---|---|
| 1 | 17239579857304.zip | 2.04M | 
| 2 | 1.png | 27.90K | 
| 3 | 2.png | 34.88K | 
| 4 | 屏幕截图2024-08-18131030.png | 137.83K | 
| 5 | 屏幕截图2024-08-18131106.png | 19.79K | 
| 6 | 液压绞车液压系统原理图-A3.dwg | 172.84K | 
| 7 | 液压绞车液压系统课程设计说明书(1).doc | 1.65M | 
| 8 | 转矩图和转速图-A3.bak | 164.20K | 
| 9 | 转矩图和转速图-A3.dwg | 164.20K | 
此图纸下载需要300金币
                            立即下载
                                    
            发布者
				机械与液压(原创) +V:o627951491
					        创作: 684
					            粉丝: 69
					        加入时间:2023-10-23
					     
					模型信息
                图纸格式:dwg
                    文件大小:2.09M
                    所需金币:300
                    上传时间:2024-08-18 13:13:13
                    是否可编辑:可修改,包括参数
                    版本:AutoCAD 2018
                标签
                绞车
                                                液压系统
                                        图纸简介
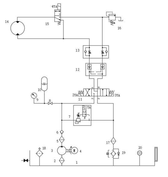
			    系统最大工作压力:8MPa
系统额定工作压力:5MPa
系统最大工作流量:80L/min
最大牵引力为:80000N
空载牵引力为:2000N(未知,设定)
最大牵引线速度:v=10m/min;
最大放网线速度:v=60m/min(未知,设定)
卷平均直径:D=200mm
底座重:2T
制动力矩:不小于2倍的牵引力矩,设定为2T
			版权说明
                用户在本站上传的作品如侵犯到您的权益,请与本站管理员联系删除。用户在本站下载的原创作品,只拥有作品的使用权,著作权归原作者所有,未经合法授权,用户不得以任何形式发布、传播、复制、转售该作品。
            作者其它图纸 查看更多
                
            
 微信扫码登录
                    微信扫码登录
                



 
								 
								 
								 
								 
								 
								 
								 
								 
						 
						 
						0.png) 
						0.png) 
						0.png) 
						0.png) 
						0.png) 
						0.png) 
						0.png) 
						 
						 
						 
						0.png) 
						0.png) 
						0.png) 
						0.png) 
						0.png) 
						0.png) 
						 
        
        
        
         
                 QQ在线客服
                        QQ在线客服
                     官方QQ群
                       官方QQ群
                   