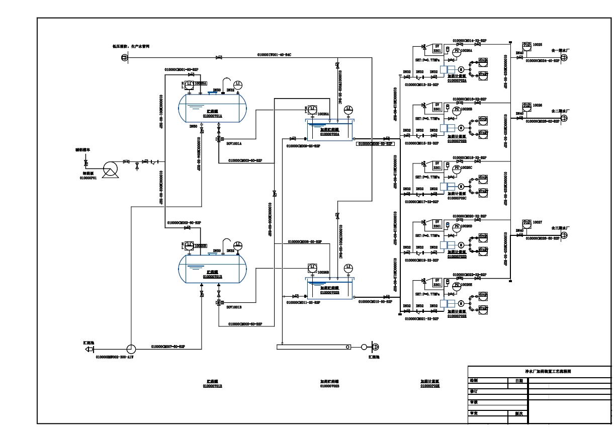
Z2130-净水厂加药装置工艺流程图CAD图纸==772731=50(ID:1527306)
# | 文件名称 | 文件大小 |
---|---|---|
1 | 17241444461703.zip | 844.15K |
2 | 净水厂加药装置工艺流程图77273150.dwg | 852.15K |
3 | 微信截图_20240819075144.png | 197.87K |
此图纸下载需要45金币
立即下载
发布者
精明的飞机
创作: 9171
粉丝: 188
加入时间:2023-08-20

模型信息
图纸格式:dwg
文件大小:864.41KB
所需金币:45
上传时间:2024-08-20 17:00:46
是否可编辑:可修改,包括参数
版本:AutoCAD 2013
标签
图纸简介
版权说明
用户在本站上传的作品如侵犯到您的权益,请与本站管理员联系删除。用户在本站下载的原创作品,只拥有作品的使用权,著作权归原作者所有,未经合法授权,用户不得以任何形式发布、传播、复制、转售该作品。
作者其它图纸 查看更多