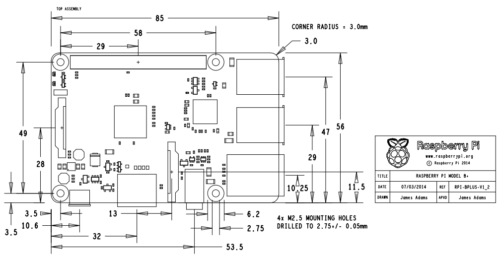
树莓派B+电路板(ID:1551054)
# | 文件名称 | 文件大小 |
---|---|---|
1 | 17255446322860.zip | 22.13M |
2 | mechanicalspecB.png | 70.49K |
3 | raspberry_pi_B_15_pin_FFC_Connector.SLDASM | 202.50K |
4 | raspberry_pi_B_168_FBGA_12x12.SLDPRT | 2.21M |
5 | raspberry_pi_B_audio_video2.SLDPRT | 477.00K |
6 | raspberry_pi_B_bar_180_2x20.SLDPRT | 847.50K |
7 | raspberry_pi_B_CI_Board.SLDPRT | 558.00K |
8 | raspberry_pi_B_HDMI_socket.SLDASM | 451.00K |
9 | raspberry_pi_B_microsd.SLDASM | 147.00K |
10 | raspberry_pi_B_microsd.SLDPRT | 294.50K |
11 | raspberry_pi_B_microsd2.SLDPRT | 2.54M |
12 | raspberry_pi_B_microsd_slot.SLDASM | 305.00K |
13 | raspberry_pi_B_microsd_slot2.SLDPRT | 724.00K |
14 | raspberry_pi_B_micro_USB.SLDASM | 751.50K |
15 | raspberry_pi_B_micro_USB_contacts.SLDPRT | 1.24M |
16 | raspberry_pi_B_micro_USB_cover.SLDPRT | 3.46M |
17 | raspberry_pi_B_P1.SLDASM | 60.50K |
18 | raspberry_pi_B_QFN64.SLDPRT | 1.15M |
19 | raspberry_pi_B_RJ45.SLDPRT | 1.27M |
20 | raspberry_pi_B_slot.SLDASM | 265.50K |
21 | raspberry_pi_B_slot.SLDPRT | 493.00K |
22 | raspberry_pi_B_USB_x2.SLDASM | 388.50K |
23 | raspberry_pi_B_USB_x2_part1.SLDPRT | 1.77M |
24 | raspberry_pi_B_USB_x2_part2.SLDPRT | 2.07M |
25 | raspberry_pi__15_pin_FFC_Connector_body.SLDPRT | 446.50K |
26 | raspberry_pi__15_pin_FFC_Connector_locker.SLDPRT | 217.00K |
27 | raspberry_pi__15_pin_FFC_Connector_pins.SLDPRT | 119.00K |
28 | raspberry_pi__HDMI_socket_cover.SLDPRT | 865.00K |
29 | raspberry_pi__HDMI_socket_inside.SLDPRT | 1.21M |
30 | raspberry_pi__HDMI_socket_large_pin.SLDPRT | 213.00K |
31 | raspberry_pi__HDMI_socket_small_pin.SLDPRT | 212.00K |
32 | zongzhuangtu.SLDASM | 2.69M |
33 | STEP_raspberrypi_b__assembly.err | 11.64K |
34 | STEP_raspberrypi_b__assembly.STEP | 23.18M |
此图纸下载需要8金币
立即下载
发布者
任性的百合
创作: 183482
粉丝: 175
加入时间:2024-09-01

模型信息
图纸格式:sldasm,sldprt,step
文件大小:22.66M
所需金币:8
上传时间:2024-09-05 21:57:26
是否可编辑:可修改,包括参数
版本:SOLIDWORKS 2013
标签
图纸简介
版权说明
用户在本站上传的作品如侵犯到您的权益,请与本站管理员联系删除。用户在本站下载的原创作品,只拥有作品的使用权,著作权归原作者所有,未经合法授权,用户不得以任何形式发布、传播、复制、转售该作品。
作者其它图纸 查看更多