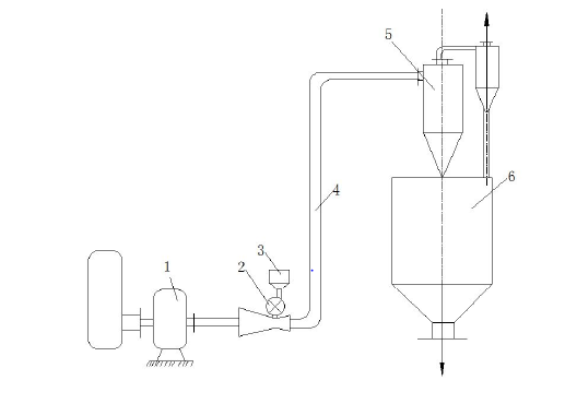
一种针对地面果实的气吸式捡拾机 200(ID:1556548)
| # | 文件名称 | 文件大小 |
|---|---|---|
| 1 | 1.SLDPRT | 118.53K |
| 2 | 11.PNG | 22.26K |
| 3 | 17257111043705.zip | 66.62M |
| 4 | 345.SLDPRT | 68.40K |
| 5 | Drawing1.dwg | 39.94K |
| 6 | fa兰.SLDPRT | 191.00K |
| 7 | G16-01-125-302B发泡充气轮[E16-02-125-302B].sldprt | 2.58M |
| 8 | GB27-88六角头铰制孔用螺栓M8×458.8级.SLDPRT | 106.51K |
| 9 | GB╱T7810-2017[带立式座轴承UCPUCP209].sldprt | 594.70K |
| 10 | GB/T41-20001型六角螺母C级M104级.SLDPRT | 105.45K |
| 11 | GB/T41-20001型六角螺母C级M54级.SLDPRT | 105.91K |
| 12 | GB/T41-20001型六角螺母C级M64级.SLDPRT | 104.78K |
| 13 | GB/T41-20001型六角螺母C级M84级.SLDPRT | 105.33K |
| 14 | GB/T5782-2000六角头螺栓A级和B级M10×455.6级.SLDPRT | 156.48K |
| 15 | GB/T5782-2000六角头螺栓A级和B级M10×805.6级.SLDPRT | 151.23K |
| 16 | GB/T5782-2000六角头螺栓A级和B级M5×255.6级.SLDPRT | 155.53K |
| 17 | GB/T5782-2000六角头螺栓A级和B级M5×355.6级.SLDPRT | 148.00K |
| 18 | GB/T5782-2000六角头螺栓A级和B级M6×305.6级.SLDPRT | 152.24K |
| 19 | GB/T5782-2000六角头螺栓A级和B级M8×405.6级.SLDPRT | 159.63K |
| 20 | GB/T5782-2000六角头螺栓A级和B级M8×455.6级.SLDPRT | 156.58K |
| 21 | GB/T6170-20001型六角螺母A级和B级M10A2-70级.SLDPRT | 119.64K |
| 22 | GB/T6170-20001型六角螺母A级和B级M6A2-70级.SLDPRT | 113.35K |
| 23 | GB/T6170-20001型六角螺母A级和B级M8A2-70级.SLDPRT | 118.60K |
| 24 | GB/T65-2000开槽圆柱头螺钉M5×84.8级.SLDPRT | 135.73K |
| 25 | GB/T65-2000开槽圆柱头螺钉M6×104.8级.SLDPRT | 127.90K |
| 26 | GB/T65-2000开槽圆柱头螺钉M6×124.8级.SLDPRT | 127.21K |
| 27 | GB/T65-2000开槽圆柱头螺钉M6×84.8级.SLDPRT | 130.26K |
| 28 | GB/T95-2002平垫圈C级10×2钢.SLDPRT | 54.21K |
| 29 | GB/T95-2002平垫圈C级5×1钢.SLDPRT | 50.77K |
| 30 | GB/T95-2002平垫圈C级6×1.6钢.SLDPRT | 51.00K |
| 31 | GB/T95-2002平垫圈C级8×1.6钢.SLDPRT | 53.60K |
| 32 | lunzhou.SLDPRT | 59.67K |
| 33 | zongzhuangtu.SLDASM | 4.87M |
| 34 | ~$GB/T 65-2000开槽圆柱头螺钉M6×10(4.8级).SLDPRT | 14B |
| 35 | ~$挡板一.SLDPRT | 14B |
| 36 | ~$挡板二.SLDPRT | 14B |
| 37 | ~$箱体装配体.SLDASM | 14B |
| 38 | 三通.SLDPRT | 228.97K |
| 39 | 三通_project_folders.html | 564B |
| 40 | 吸头.bak | 37.11K |
| 41 | 吸头.SLDPRT | 181.55K |
| 42 | 带轮壳.SLDPRT | 138.45K |
| 43 | 拉杆.SLDPRT | 382.63K |
| 44 | 挡板一.SLDPRT | 403.59K |
| 45 | 挡板一ce.SLDPRT | 352.05K |
| 46 | 挡板二.SLDPRT | 381.90K |
| 47 | 捕获.PNG | 12.16K |
| 48 | 管道.SLDPRT | 92.66K |
| 49 | 箱体.SLDPRT | 735.42K |
| 50 | 箱体紧固板.SLDPRT | 101.50K |
| 51 | 箱体装配体.SLDASM | 357.41K |
| 52 | 设计说明书.docx | 2.01M |
| 53 | 车架.SLDPRT | 448.79K |
| 54 | 车轮.SLDPRT | 959.15K |
| 55 | 轴基座.SLDPRT | 279.58K |
| 56 | 轴套.SLDPRT | 71.61K |
| 57 | 轴承座盖.SLDPRT | 149.66K |
| 58 | 轴承端盖.SLDPRT | 117.17K |
| 59 | 铰链合页.SLDASM | 89.40K |
| 60 | 长管.SLDPRT | 207.79K |
| 61 | 门1.SLDPRT | 60.48K |
| 62 | 门2.SLDPRT | 63.57K |
| 63 | 门配合.SLDASM | 131.88K |
| 64 | 门配合2.SLDASM | 87.54K |
| 65 | 除杂.PNG | 23.43K |
| 66 | 隔离板.SLDPRT | 715.56K |
| 67 | 零件1.SLDPRT | 200.29K |
| 68 | 风机传动轴.SLDPRT | 157.46K |
| 69 | 风机连接弯管.SLDPRT | 335.83K |
| 70 | 风机连接弯管_project_folders.html | 590B |
| 71 | 1.geom | 93.67K |
| 72 | rpr_log.txt | 883B |
| 73 | 170发动机.SLDASM | 1.91M |
| 74 | 170发动机s.SLDASM | 1.60M |
| 75 | 右盒体上盖.SLDPRT | 417.85K |
| 76 | 右盒体下盖.SLDPRT | 436.64K |
| 77 | 右红箱塞.SLDPRT | 218.32K |
| 78 | 外盖.SLDPRT | 389.28K |
| 79 | 左挡盖.SLDPRT | 7.04M |
| 80 | 左盒盖上.SLDPRT | 167.59K |
| 81 | 左盒盖下.SLDPRT | 247.96K |
| 82 | 左红盖塞.SLDPRT | 121.28K |
| 83 | 左红盖螺母.SLDPRT | 89.77K |
| 84 | 左螺钉.SLDPRT | 131.33K |
| 85 | 白壳.SLDPRT | 630.00K |
| 86 | 花键.SLDPRT | 113.05K |
| 87 | 螺柱.SLDPRT | 145.27K |
| 88 | 角铁.SLDPRT | 238.74K |
| 89 | 锤插.SLDPRT | 125.09K |
| 90 | 风扇壳.SLDPRT | 160.04K |
| 91 | 风扇盖.SLDPRT | 1.73M |
| 92 | 黑盒下.SLDPRT | 162.17K |
| 93 | 黑盒管.SLDPRT | 220.27K |
| 94 | 黑盖上.SLDPRT | 1.58M |
| 95 | 170发动机s.SLDPRT | 3.09M |
| 96 | 2.geom | 17.63K |
| 97 | rpr_log.txt | 883B |
| 98 | 9-19No15A.SLDASM | 103.42K |
| 99 | 9-19No15A总装.SLDASM | 942.28K |
| 100 | 9-19No15A机架.SLDASM | 107.79K |
| 101 | YE2-160M1-2.SLDPRT | 1.42M |
| 102 | 前侧板.SLDPRT | 142.81K |
| 103 | 前盖板组.SLDPRT | 169.07K |
| 104 | 前盘.SLDPRT | 106.29K |
| 105 | 叶片.SLDPRT | 67.91K |
| 106 | 叶轮.SLDASM | 199.27K |
| 107 | 后侧板.SLDPRT | 79.05K |
| 108 | 地基角铁.SLDPRT | 69.14K |
| 109 | 基座轴.SLDPRT | 139.24K |
| 110 | 机壳.SLDASM | 273.16K |
| 111 | 横档角铁.SLDPRT | 71.52K |
| 112 | 蜗壳板.SLDPRT | 102.95K |
| 113 | 调节挡圈.SLDPRT | 75.47K |
| 114 | 轮盘.SLDPRT | 75.00K |
| 115 | 轴盘.SLDPRT | 155.12K |
| 116 | 进风口.SLDPRT | 262.00K |
| 117 | 连接角铁.SLDPRT | 80.63K |
| 118 | 连接角铁2.SLDPRT | 74.80K |
| 119 | 连接角铁3.SLDPRT | 82.58K |
| 120 | 铆钉8×30.SLDPRT | 100.50K |
| 121 | 镜向地基角铁.SLDPRT | 35.96K |
| 122 | 镜向连接角铁.SLDPRT | 37.24K |
| 123 | 镜向连接角铁2.SLDPRT | 95.62K |
| 124 | 镜向连接角铁3.SLDPRT | 100.49K |
| 125 | 6寸万向轮.SLDASM | 235.16K |
| 126 | 6寸万向轮支架.SLDPRT | 160.40K |
| 127 | GB27-88六角头铰制孔用螺栓M14×908.8级.SLDPRT | 109.46K |
| 128 | GB/T41-20001型六角螺母C级M144级.SLDPRT | 114.89K |
| 129 | GB/T95-2002平垫圈C级14×2.5钢.SLDPRT | 60.79K |
| 130 | 后轮.SLDPRT | 148.17K |
| 131 | 三通10°_project_folders.html | 549B |
| 132 | 三通20°.SLDPRT | 218.13K |
| 133 | 三通30°.SLDPRT | 240.87K |
| 134 | 三通30°_project_folders.html | 549B |
| 135 | 三通45°.SLDPRT | 229.61K |
| 136 | 三通_project_folders.html | 564B |
| 137 | 1.cpt | 1.76M |
| 138 | 1.cpt.stdout | 27.87K |
| 139 | 1.fbd | 4.63M |
| 140 | 1.fld | 1009.92K |
| 141 | 1.gdb | 252.60K |
| 142 | 1.geom | 132.75K |
| 143 | 1.info | 7.01K |
| 144 | 1.stdout | 353.46K |
| 145 | 1.xmlconfig | 206.35K |
| 146 | calculation_status.log | 1B |
| 147 | EFDsolver.log | 16.21K |
| 148 | rpr_log.txt | 15.65K |
| 149 | RunInfo.bak | 590B |
| 150 | r_000000.fld | 189.55K |
| 151 | 风机弯管.txt | 710.49K |
| 152 | GG平均值动压1.txt | 4.64K |
| 153 | GG平均值总压1.txt | 4.64K |
| 154 | GG平均值速度1.txt | 4.65K |
| 155 | GG平均值静压1.txt | 4.65K |
| 156 | global_parameters.txt | 733B |
| 157 | ServHeatf.txt | 1.99K |
| 158 | ServMflow.txt | 5.40K |
| 159 | ServPress.txt | 4.62K |
| 160 | ServTemp.txt | 4.69K |
| 161 | SG平均值动力粘度1.txt | 5.35K |
| 162 | SG摩擦力1.txt | 4.55K |
| 163 | SG最大值动力粘度1.txt | 5.31K |
| 164 | SG最小值动力粘度1.txt | 5.34K |
| 165 | SG绝大部分平均动力粘度1.txt | 5.47K |
| 166 | 流动迹线1-1.ps_data | 114.28K |
| 167 | 00521.cv_mm | 25.20K |
| 168 | 03350.cv_mm | 27.05K |
| 169 | 03540.vort | 56.61K |
| 170 | 04719.cv_mm | 26.61K |
| 171 | 08074.par_val | 88.89K |
| 172 | 08247.par_val | 19.62K |
| 173 | 11415.par_val | 57.85K |
| 174 | 12668.cv_int | 158.24K |
| 175 | 13800.par_val | 19.20K |
| 176 | 14535.wall_ph | 15.94K |
| 177 | 16176.nb_bricks | 104.44K |
| 178 | 16293.par_val | 20.71K |
| 179 | 17324.par_val | 19.32K |
| 180 | 17933.cv_mm | 24.47K |
| 181 | 20576.par_val | 28.89K |
| 182 | 20587.par_val | 28.89K |
| 183 | 24284.par_val | 57.85K |
| 184 | 24399.wall_tr | 613.53K |
| 185 | 25473.par_val | 88.92K |
| 186 | 26946.simpl_int | 114B |
| 187 | 28375.par_val | 19.39K |
| 188 | 29209.par_val | 19.72K |
| 189 | 30272.cv_mm | 26.60K |
| 190 | 30362.cv_mm | 28.17K |
| 191 | 2.cpt | 476.12K |
| 192 | 2.cpt.stdout | 25.70K |
| 193 | 2.fbd | 300.95K |
| 194 | 2.fld | 369.57K |
| 195 | 2.gdb | 39.29K |
| 196 | 2.geom | 24.22K |
| 197 | 2.info | 4.35K |
| 198 | 2.stdout | 299.73K |
| 199 | 2.xmlconfig | 245.83K |
| 200 | calculation_status.log | 1B |
| 201 | EFDsolver.log | 7.53K |
| 202 | rpr_log.txt | 3.28K |
| 203 | RunInfo.bak | 529B |
| 204 | r_000000.fld | 72.43K |
| 205 | GG平均值动压1.txt | 4.06K |
| 206 | GG平均值总压1.txt | 4.03K |
| 207 | GG平均值速度1.txt | 4.04K |
| 208 | GG平均值静压1.txt | 4.01K |
| 209 | global_parameters.txt | 635B |
| 210 | ServHeatf.txt | 1.75K |
| 211 | ServMflow.txt | 4.80K |
| 212 | ServPress.txt | 4.00K |
| 213 | ServTemp.txt | 4.08K |
| 214 | 00099.cv_mm | 9.22K |
| 215 | 03610.wall_tr | 33.62K |
| 216 | 04552.par_val | 7.18K |
| 217 | 05787.nb_bricks | 29.17K |
| 218 | 11321.par_val | 10.13K |
| 219 | 16886.cv_mm | 9.69K |
| 220 | 18138.par_val | 6.74K |
| 221 | 21056.par_val | 7.25K |
| 222 | 24537.cv_mm | 8.41K |
| 223 | 24921.cv_mm | 9.07K |
| 224 | 28285.par_val | 7.21K |
| 225 | 29634.cv_mm | 8.38K |
| 226 | 29998.cv_int | 55.46K |
| 227 | 31274.cv_mm | 8.94K |
| 228 | 32120.par_val | 7.43K |
| 229 | 32151.simpl_int | 138B |
| 230 | document.inf | 132B |
| 231 | configuration.dat | 174B |
| 232 | configuration.inf | 125B |
| 233 | project.dat | 3.03K |
| 234 | project.inf | 352B |
| 235 | project.units | 2.57K |
| 236 | fld.inf | 351B |
| 237 | dd9c0833-876f-476b-ad95-696f34191572.plot | 13.91K |
| 238 | dd9c0833-876f-476b-ad95-696f34191572.res | 10.91K |
| 239 | e762156b-95ad-4ec0-8e3d-7be6d7bf7e35.plot | 13.79K |
| 240 | e762156b-95ad-4ec0-8e3d-7be6d7bf7e35.res | 11.08K |
| 241 | f3a4f309-bf36-4db9-8205-64e03133cf2a.plot | 1.25K |
| 242 | f3a4f309-bf36-4db9-8205-64e03133cf2a.res | 402B |
| 243 | 风机连接弯管_project_folders.html | 590B |
| 244 | 风机连接弯管样式3.SLDPRT | 334.90K |
| 245 | 风机连接弯管样式3_project_folders.html | 604B |
| 246 | 风机连接弯管.SLDPRT | 331.34K |
| 247 | document.inf | 144B |
| 248 | configuration.dat | 174B |
| 249 | configuration.inf | 125B |
| 250 | project.dat | 3.04K |
| 251 | project.inf | 354B |
| 252 | project.units | 2.57K |
| 253 | 57735a6e-c5be-4582-aadc-f4b5c65004b7.plot | 1.24K |
| 254 | 57735a6e-c5be-4582-aadc-f4b5c65004b7.res | 2.50K |
| 255 | e1b67582-f2a6-4aee-b401-10df6564d7e5.plot | 1.24K |
| 256 | e1b67582-f2a6-4aee-b401-10df6564d7e5.res | 2.50K |
| 257 | 1c2969f1-8a2b-46e3-aa5e-85ecf995a00d.plot | 5.38K |
| 258 | 1c2969f1-8a2b-46e3-aa5e-85ecf995a00d.res | 674B |
| 259 | 0d910a0e-755d-46b9-a7ee-b6f68da44aad.plot | 5.21K |
| 260 | 0d910a0e-755d-46b9-a7ee-b6f68da44aad.res | 257B |
| 261 | 56fcab66-1edf-4319-a309-9a5a72e330b5.plot | 782B |
| 262 | 56fcab66-1edf-4319-a309-9a5a72e330b5.res | 235B |
| 263 | fld.inf | 351B |
| 264 | 00df0645-27cd-46b0-b839-ef6dfad2bd2f.plot | 13.91K |
| 265 | 00df0645-27cd-46b0-b839-ef6dfad2bd2f.res | 86.57K |
| 266 | 44d98b83-a078-4429-ab1c-7d536447e79f.plot | 13.96K |
| 267 | 44d98b83-a078-4429-ab1c-7d536447e79f.res | 76.24K |
| 268 | 4748da14-6e47-4f1a-9666-341dc9039f93.plot | 13.99K |
| 269 | 4748da14-6e47-4f1a-9666-341dc9039f93.res | 75.76K |
| 270 | 5d179f6a-cf18-419d-8b52-20e4f48289c0.plot | 13.90K |
| 271 | 5d179f6a-cf18-419d-8b52-20e4f48289c0.res | 76.23K |
| 272 | 5fbe9c11-e0e9-4a2c-8518-c7fca34f5910.plot | 13.99K |
| 273 | 5fbe9c11-e0e9-4a2c-8518-c7fca34f5910.res | 74.58K |
| 274 | 6224f076-ad1c-46c7-9a2b-d84a6c1b4c0d.plot | 14.00K |
| 275 | 6224f076-ad1c-46c7-9a2b-d84a6c1b4c0d.res | 76.21K |
| 276 | 7c0e0711-9c94-4d3b-9475-c9735f03f21a.plot | 13.96K |
| 277 | 7c0e0711-9c94-4d3b-9475-c9735f03f21a.res | 76.23K |
| 278 | c696a0a7-e523-4972-8a3d-4b66e7baa8c0.plot | 13.98K |
| 279 | c696a0a7-e523-4972-8a3d-4b66e7baa8c0.res | 87.06K |
| 280 | 9dc52bb1-be94-41ac-b451-ac01a0e12318.plot | 8.60K |
| 281 | 9dc52bb1-be94-41ac-b451-ac01a0e12318.res | 125.32K |
| 282 | de93d9ea-1fc2-49e3-bbfe-72b7fcf06178.plot | 8.60K |
| 283 | de93d9ea-1fc2-49e3-bbfe-72b7fcf06178.res | 125.33K |
| 284 | ab7581e9-a991-4d34-aff2-fc4e8fdadcaf.plot | 3.07K |
| 285 | ab7581e9-a991-4d34-aff2-fc4e8fdadcaf.res | 51.76K |
| 286 | 7ffda66b-58da-4baf-b6af-a97421dca394.plot | 17.67K |
| 287 | 7ffda66b-58da-4baf-b6af-a97421dca394.res | 1.19M |
| 288 | 9532a4a7-20f1-487e-b952-a45277c3a726.plot | 13.21K |
| 289 | 9532a4a7-20f1-487e-b952-a45277c3a726.res | 1.23M |
| 290 | 96a0edc3-7a7a-455f-9fb4-3561d0ce4570.plot | 17.67K |
| 291 | 96a0edc3-7a7a-455f-9fb4-3561d0ce4570.res | 1.18M |
| 292 | abfdc6b2-d763-4180-ab1b-eaa74093d46e.plot | 13.20K |
| 293 | abfdc6b2-d763-4180-ab1b-eaa74093d46e.res | 930.82K |
| 294 | 312945d0-4a8e-4af3-9379-417036752b0e.plot | 1.24K |
| 295 | 312945d0-4a8e-4af3-9379-417036752b0e.res | 2.51K |
| 296 | f203c835-f73c-4a95-ba40-fdbb82f1b8c0.plot | 5.38K |
| 297 | f203c835-f73c-4a95-ba40-fdbb82f1b8c0.res | 675B |
| 298 | 风机弯管.txt | 710.49K |
| 299 | 风机连接弯管样式2.SLDPRT | 244.14K |
| 300 | 风机连接弯管样式2_project_folders.html | 581B |
| 301 | 1.cpt | 1.10M |
| 302 | 1.cpt.stdout | 27.11K |
| 303 | 1.fbd | 1.29M |
| 304 | 1.fld | 988.57K |
| 305 | 1.gdb | 71.98K |
| 306 | 1.geom | 86.32K |
| 307 | 1.info | 4.13K |
| 308 | 1.stdout | 296.15K |
| 309 | 1.xmlconfig | 201.44K |
| 310 | calculation_status.log | 1B |
| 311 | EFDsolver.log | 7.41K |
| 312 | rpr_log.txt | 2.29K |
| 313 | RunInfo.bak | 506B |
| 314 | r_000000.fld | 182.68K |
| 315 | GG平均值总压1.txt | 3.92K |
| 316 | GG平均值速度1.txt | 3.98K |
| 317 | GG平均值静压1.txt | 3.96K |
| 318 | GG摩擦力1.txt | 3.88K |
| 319 | global_parameters.txt | 628B |
| 320 | ServHeatf.txt | 1.71K |
| 321 | ServMflow.txt | 4.57K |
| 322 | ServPress.txt | 3.94K |
| 323 | ServTemp.txt | 4.01K |
| 324 | 01067.par_val | 20.74K |
| 325 | 04497.cv_mm | 29.31K |
| 326 | 05759.simpl_int | 115B |
| 327 | 08061.cv_int | 159.97K |
| 328 | 08468.wall_tr | 174.37K |
| 329 | 08931.par_val | 21.06K |
| 330 | 09651.cv_mm | 28.77K |
| 331 | 10441.par_val | 21.10K |
| 332 | 12415.nb_bricks | 105.73K |
| 333 | 14093.cv_mm | 26.90K |
| 334 | 15888.par_val | 29.65K |
| 335 | 17262.cv_mm | 28.94K |
| 336 | 17602.cv_mm | 28.65K |
| 337 | 20346.par_val | 20.20K |
| 338 | 29279.cv_mm | 27.18K |
| 339 | 30708.par_val | 20.89K |
| 340 | document.inf | 151B |
| 341 | configuration.dat | 174B |
| 342 | configuration.inf | 125B |
| 343 | project.dat | 3.05K |
| 344 | project.inf | 354B |
| 345 | project.units | 2.57K |
| 346 | 13cdac69-6c64-4655-bd5f-bc1418be6c81.plot | 1.24K |
| 347 | 13cdac69-6c64-4655-bd5f-bc1418be6c81.res | 476B |
| 348 | fld.inf | 328B |
| 349 | 87213e89-d32d-4b40-a149-b0664cefcfb6.plot | 13.91K |
| 350 | 87213e89-d32d-4b40-a149-b0664cefcfb6.res | 23.92K |
| 351 | f9e27116-3bc6-4188-ab34-22db29c40aea.plot | 13.79K |
| 352 | f9e27116-3bc6-4188-ab34-22db29c40aea.res | 24.02K |
| 353 | ss_皮带.SLDPRT | 85.17K |
| 354 | 大带轮.SLDPRT | 185.21K |
| 355 | 大带轮_实心轮.SLDPRT | 185.72K |
| 356 | 实心轮_实心轮.SLDASM | 210.46K |
| 357 | 小带轮.SLDPRT | 175.47K |
| 358 | 小带轮_实心轮.SLDPRT | 174.62K |
| 359 | QQ截图20200422151740.png | 45.29K |
| 360 | GB/T5782-2000六角头螺栓A级和B级M10×455.6级.SLDPRT | 162.80K |
| 361 | GB/T6170-20001型六角螺母A级和B级M10A2-70级.SLDPRT | 118.25K |
| 362 | GB/T95-2002平垫圈C级10×2钢.SLDPRT | 59.95K |
| 363 | GB/T95-2002平垫圈C级8×1.6钢.SLDPRT | 61.80K |
| 364 | ~$GB/T 5782-2000六角头螺栓 A级和B级M10×45(5.6级).SLDPRT | 14B |
| 365 | ~$GB/T 95-2002平垫圈 C级10×2(钢).SLDPRT | 14B |
此图纸下载需要230金币
立即下载
发布者
代做毕业设计 需要可私信
创作: 71590
粉丝: 574
加入时间:2024-03-01
模型信息
图纸格式:sldprt,dwg,sldasm
文件大小:68.21M
所需金币:230
上传时间:2024-09-07 20:12:02
是否可编辑:可修改,包括参数
版本:SOLIDWORKS 2018
标签
图纸简介
版权说明
用户在本站上传的作品如侵犯到您的权益,请与本站管理员联系删除。用户在本站下载的原创作品,只拥有作品的使用权,著作权归原作者所有,未经合法授权,用户不得以任何形式发布、传播、复制、转售该作品。
作者其它图纸 查看更多
猜你喜欢

0.png)
2.png)
3.png)
4.png)
1.png)
