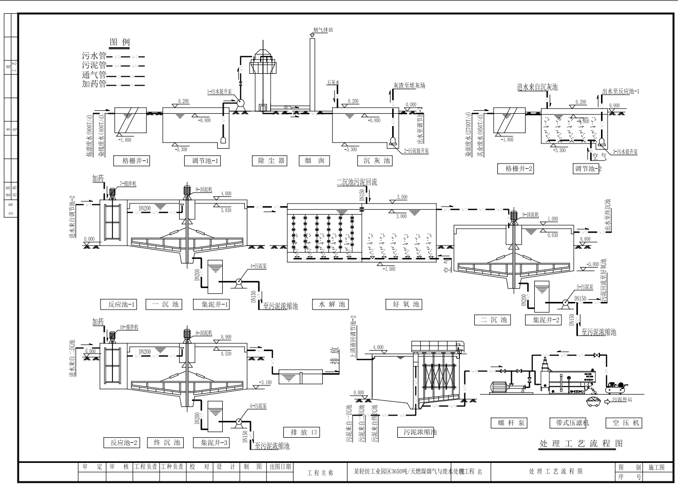
M1995-某轻纺工业园区燃煤烟气与废水处理工艺流程图(ID:1563867)
# | 文件名称 | 文件大小 |
---|---|---|
1 | 17259428023921.zip | 356.03K |
2 | 装配图.png | 296.57K |
3 | 3650吨每天某轻纺工业园区燃煤烟气与废水处理工艺流程图.dwg | 448.88K |
此图纸下载需要9金币
立即下载
发布者
活力的皮带
创作: 90573
粉丝: 75
加入时间:2023-07-26

模型信息
图纸格式:dwg
文件大小:364.58KB
所需金币:9
上传时间:2024-09-10 12:33:22
是否可编辑:可修改,包括参数
版本:AutoCAD
标签
图纸简介
版权说明
用户在本站上传的作品如侵犯到您的权益,请与本站管理员联系删除。用户在本站下载的原创作品,只拥有作品的使用权,著作权归原作者所有,未经合法授权,用户不得以任何形式发布、传播、复制、转售该作品。
作者其它图纸 查看更多