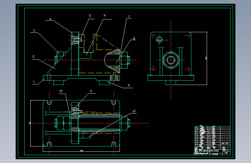
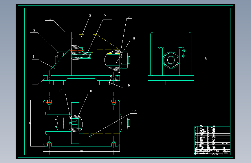
CA6140拔叉工艺及夹具设计(84009)(ID:1570353)
# | 文件名称 | 文件大小 |
---|---|---|
1 | 17260511469278.zip | 307.37K |
2 | Drawing1.dwg | 58.19K |
3 | Drawing2.dwg | 54.34K |
4 | 图纸.dwg | 266.80K |
5 | 夹具.dwg | 51.59K |
此图纸下载需要125金币
立即下载
发布者
神勇的火车
创作: 15862
粉丝: 149
加入时间:2023-06-06

模型信息
图纸格式:dwg
文件大小:314.75KB
所需金币:125
上传时间:2024-09-11 18:39:06
是否可编辑:可修改,包括参数
版本:AutoCAD 2004
标签
图纸简介
版权说明
用户在本站上传的作品如侵犯到您的权益,请与本站管理员联系删除。用户在本站下载的原创作品,只拥有作品的使用权,著作权归原作者所有,未经合法授权,用户不得以任何形式发布、传播、复制、转售该作品。
作者其它图纸 查看更多