M2001-日产100吨30%硫酸工艺设计(ID:1580925)
# | 文件名称 | 文件大小 |
---|---|---|
1 | 17263206173278.zip | 209.55K |
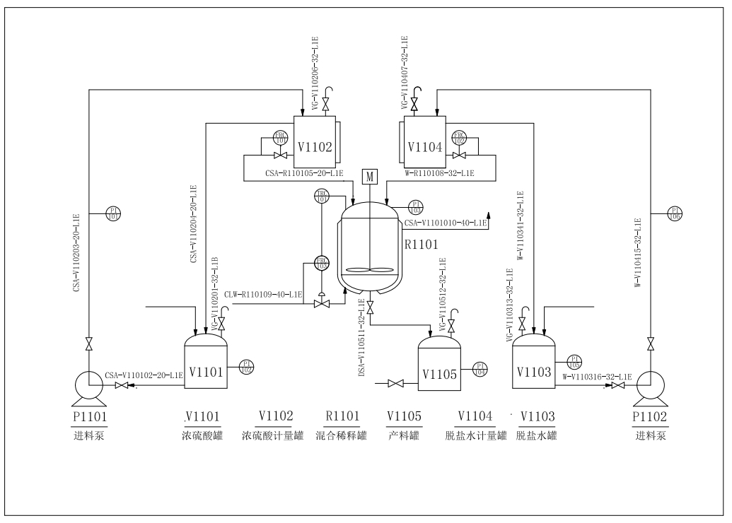
2 | 0浓硫酸稀释工艺设计PID.png | 109.04K |
3 | 日产100吨30硫酸工艺设计说明书.docx | 101.62K |
4 | 浓硫酸稀释工艺设计PID.dwg | 301.46K |
此图纸下载需要49金币
立即下载
发布者
活力的皮带
创作: 91222
粉丝: 79
加入时间:2023-07-26

模型信息
图纸格式:dwg
文件大小:214.58KB
所需金币:49
上传时间:2024-09-14 21:30:17
是否可编辑:可修改,包括参数
版本:AutoCAD
标签
图纸简介
版权说明
用户在本站上传的作品如侵犯到您的权益,请与本站管理员联系删除。用户在本站下载的原创作品,只拥有作品的使用权,著作权归原作者所有,未经合法授权,用户不得以任何形式发布、传播、复制、转售该作品。