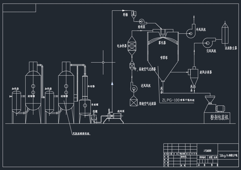
M6150-奶粉工艺流程(ID:1581299)
# | 文件名称 | 文件大小 |
---|---|---|
1 | 17263213958094.zip | 631.37K |
2 | 00主图.png | 129.69K |
3 | 0微信截图_20231128171626.png | 142.88K |
4 | 0微信截图_20231128171631.png | 134.65K |
5 | 奶粉工艺流程MF1500339.dwg | 1.03M |
此图纸下载需要49金币
立即下载
发布者
活力的皮带
创作: 91222
粉丝: 76
加入时间:2023-07-26

模型信息
图纸格式:dwg
文件大小:646.52KB
所需金币:49
上传时间:2024-09-14 21:43:16
是否可编辑:可修改,包括参数
版本:AutoCAD
标签
图纸简介
版权说明
用户在本站上传的作品如侵犯到您的权益,请与本站管理员联系删除。用户在本站下载的原创作品,只拥有作品的使用权,著作权归原作者所有,未经合法授权,用户不得以任何形式发布、传播、复制、转售该作品。
作者其它图纸 查看更多