最大加工直径250mm车床主轴箱设计P=4kw,转速112-2500,公比1.41含5张CAD图(ID:1628820)
# | 文件名称 | 文件大小 |
---|---|---|
1 | 17290543842717.zip | 1.81M |
2 | A主轴箱展开图.dwg | 246.38K |
3 | 主轴零件图.dwg | 173.63K |
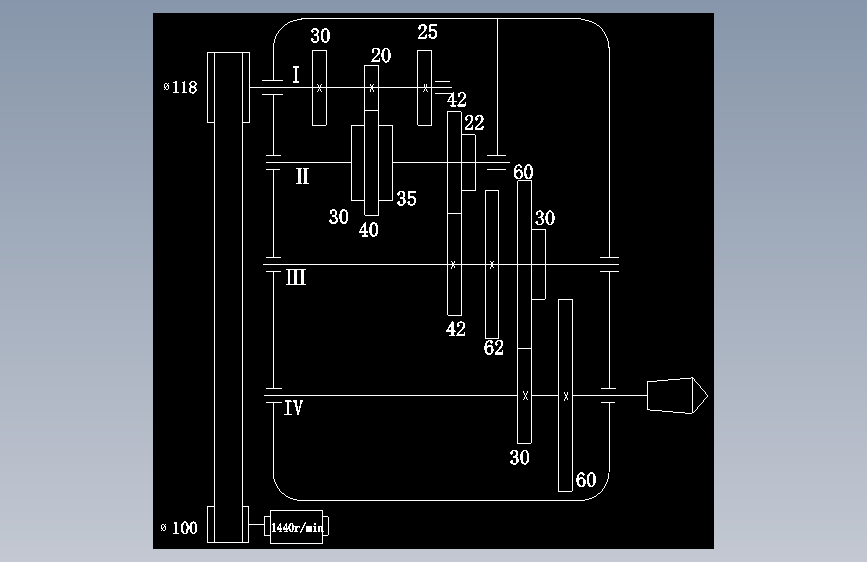
4 | 传动系统图.dwg | 158.44K |
5 | 剖面图.dwg | 172.63K |
6 | 字数统计.PNG | 16.65K |
7 | 最大加工直径250mm车床主轴箱设计说明书P4kwP4kw,转速112-2500,公比1.41.doc | 1022.06K |
8 | 转速图.dwg | 155.94K |
9 | A主轴箱展开图.jpg | 230.83K |
10 | 主轴零件图.jpg | 101.92K |
11 | 传动系统图.jpg | 89.96K |
12 | 剖面图.jpg | 154.11K |
13 | 字数统计.PNG | 16.65K |
14 | 设计参数.PNG | 7.77K |
15 | 设计所包含文件.jpg | 83.18K |
16 | 设计目录.PNG | 45.80K |
17 | 转速图.jpg | 127.32K |
18 | 运动参数.PNG | 71.77K |
此图纸下载需要225金币
立即下载
发布者
设计吧
创作: 5033
粉丝: 44
加入时间:2024-02-20

模型信息
图纸格式:dwg
文件大小:1.86M
所需金币:225
上传时间:2024-10-16 12:53:04
是否可编辑:可修改,包括参数
版本:AutoCAD 2007
标签
图纸简介
版权说明
用户在本站上传的作品如侵犯到您的权益,请与本站管理员联系删除。用户在本站下载的原创作品,只拥有作品的使用权,著作权归原作者所有,未经合法授权,用户不得以任何形式发布、传播、复制、转售该作品。
作者其它图纸 查看更多