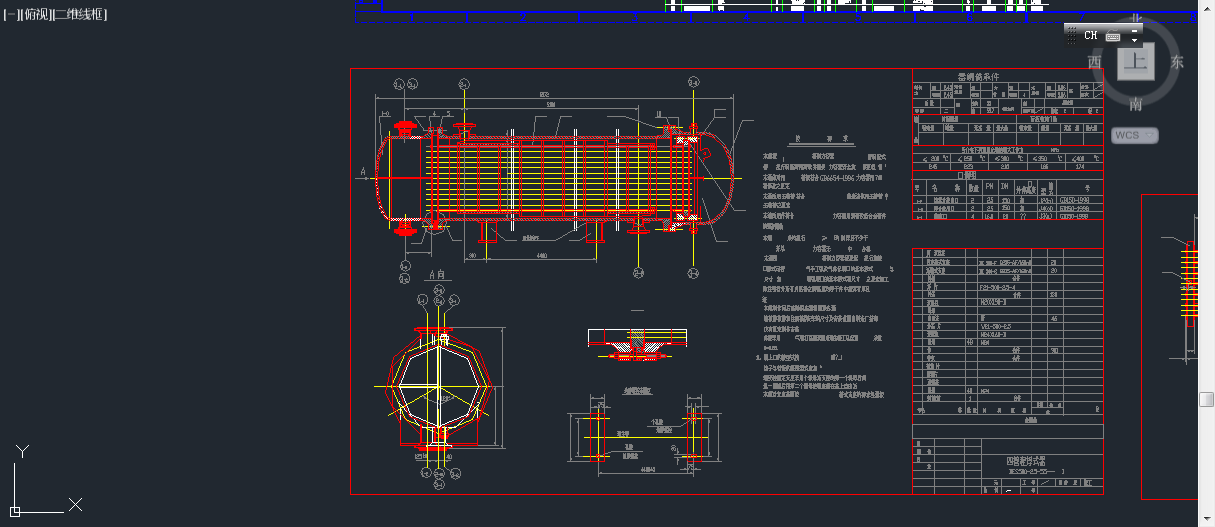
低温浮头式换热器(ID:1709426)
# | 文件名称 | 文件大小 |
---|---|---|
1 | 17339722682161.zip | 779.65K |
2 | 低温浮头式换热器.dwg | 953.43K |
此图纸下载需要30金币
立即下载
发布者
超级的舞蹈
创作: 227
粉丝: 6
加入时间:2022-08-25

模型信息
图纸格式:dwg
文件大小:798.36KB
所需金币:30
上传时间:2024-12-12 10:57:49
是否可编辑:可修改,包括参数
版本:AutoCAD 2013
标签
图纸简介
换热器在石油、化工、轻工、制药、能源等工业生产中,常常用作把低温流体加热或者把高温流体冷却,把液体汽化成蒸汽或者把蒸汽冷凝成液体。换热器既可是一种单元设备,如加热器、冷却器和凝汽器等;也可是某一工艺设备的组成部分,如氨合成塔内的换热器。
版权说明
用户在本站上传的作品如侵犯到您的权益,请与本站管理员联系删除。用户在本站下载的原创作品,只拥有作品的使用权,著作权归原作者所有,未经合法授权,用户不得以任何形式发布、传播、复制、转售该作品。