某商业步行街四十五层双子星大厦结构施工图(152米)(ID:1718033)
| # | 文件名称 | 文件大小 |
|---|---|---|
| 1 | 17343934365864.zip | 9.20M |
| 2 | 基础墙柱.dwg | 7.23M |
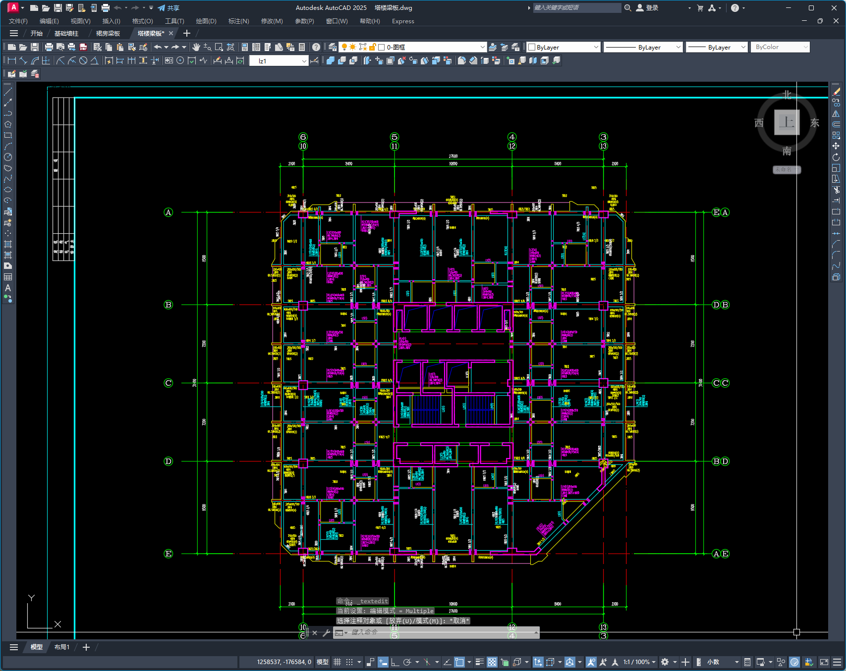
| 3 | 塔楼梁板.dwg | 9.16M |
| 4 | 裙房梁板.dwg | 10.07M |
此图纸下载需要65金币
立即下载
发布者
辛奇迹
创作: 2477
粉丝: 9
加入时间:2023-03-15
模型信息
图纸格式:dwg
文件大小:9.42M
所需金币:65
上传时间:2024-12-17 07:57:19
是否可编辑:可修改,包括参数
版本:AutoCAD 2000
标签
图纸简介
功能:商业、酒店式公寓、酒店式办公
主体结构形式为框架核心筒结构。中心筒体采用筏板基础,挡土墙下采用条形基础,裙房部分采用柱下桩基础,塔楼基础柱下桩基础。
全套图纸共56张,包括基础、墙柱平面图及大样,裙房及塔楼梁板布置、配筋图等。
版权说明
用户在本站上传的作品如侵犯到您的权益,请与本站管理员联系删除。用户在本站下载的原创作品,只拥有作品的使用权,著作权归原作者所有,未经合法授权,用户不得以任何形式发布、传播、复制、转售该作品。
作者其它图纸 查看更多








0.png)
0.png)
0.png)