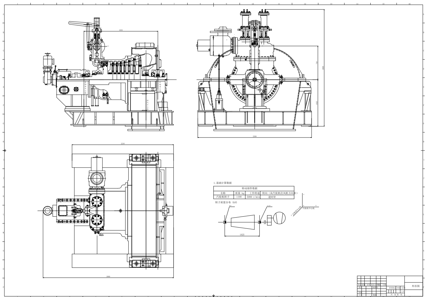
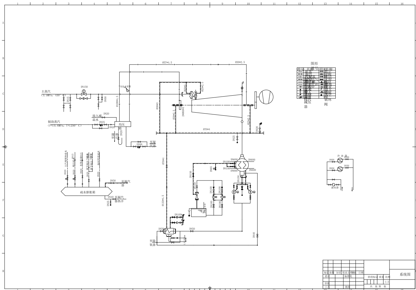
N4-3.43-370汽轮机MF(ID:2112409)
| # | 文件名称 | 文件大小 |
|---|---|---|
| 1 | 17468619487596.rar | 1.43M |
| 2 | zongzhuangtu.dwg | 288.04K |
| 3 | 剖面图.dwg | 288.04K |
| 4 | 外形图.dwg | 1.04M |
| 5 | 系统图.dwg | 152.83K |
此图纸下载需要40金币
立即下载
发布者
细腻的钻石
创作: 10690
粉丝: 111
加入时间:2024-11-24
模型信息
图纸格式:dwg
文件大小:1.46M
所需金币:40
上传时间:2025-05-10 15:25:49
是否可编辑:可修改,包括参数
版本:AutoCAD 2013
标签
图纸简介
版权说明
用户在本站上传的作品如侵犯到您的权益,请与本站管理员联系删除。用户在本站下载的原创作品,只拥有作品的使用权,著作权归原作者所有,未经合法授权,用户不得以任何形式发布、传播、复制、转售该作品。
作者其它图纸 查看更多
猜你喜欢






