管 PP 放大器 12L8GT-6AS7(ID:2505648)
查找相似图纸
截图
AI截图渲染
✨AI图片渲染
| # | 文件名称 | 文件大小 |
|---|---|---|
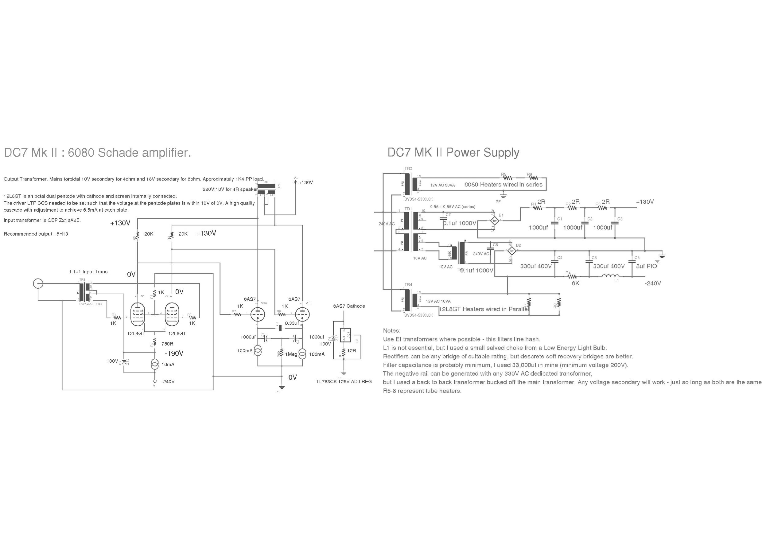
| 1 | PP12L8-6AS73D.dwg | 12.28M |
| 2 | PP12L8-6AS73D.sat | 47.83M |
| 3 | PP12L8GT-6AS7_page-0001.jpg | 553.63K |
| 4 | PPamplifier12L8GT-6AS7G.jpg | 71.94K |
此图纸下载需要20金币
立即下载
发布者
任性的百合
创作: 239364
粉丝: 283
加入时间:2024-09-01
模型信息
图纸ID:2505648
图纸格式:dwg,sat
文件大小:62.19M
所需金币:20
上传时间:2025-08-09 15:06:28
是否可编辑:可修改,包括参数
软件版本:ACIS
标签
图纸简介
版权说明
用户在本站上传的作品如侵犯到您的权益,请与本站管理员联系删除。用户在本站下载的原创作品,只拥有作品的使用权,著作权归原作者所有,未经合法授权,用户不得以任何形式发布、传播、复制、转售该作品。
作者其它图纸 查看更多
AI渲染-将平面图渲染为真实效果图
原图
渲染图
正在渲染中,请稍候...


0.png)

2.png)
3.png)
4.png)
1.png)