基于PLC的活塞式空气压缩机控制系统设计297556(ID:2517887)
查找相似图纸
截图
AI截图渲染
✨AI图片渲染
| # | 文件名称 | 文件大小 |
|---|---|---|
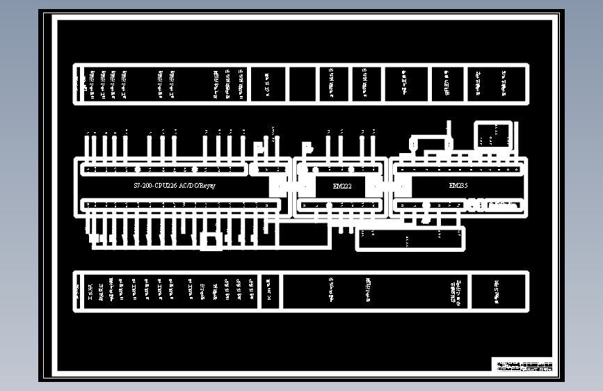
| 1 | A0-IO接口图.dwg | 77.78K |
| 2 | A0-主电气原理图.dwg | 53.09K |
| 3 | A0-系统梯形图.dwg | 72.28K |
| 4 | A1-控制电气原理图.dwg | 74.53K |
| 5 | A1-系统流程图.dwg | 63.34K |
| 6 | A2-系统方框图.dwg | 77.31K |
| 7 | 封面.docx | 23.13K |
| 8 | 摘要.doc | 42.00K |
| 9 | 正文说明书.doc | 803.50K |
| 10 | 目录.docx | 19.17K |
| 11 | 结论.docx | 17.46K |
| 12 | 英文文献翻译.docx | 16.98K |
| 13 | 英文文献翻译原文.pdf | 105.47K |
此图纸下载需要200金币
立即下载
发布者
咨询设计 QQ加3278627871
创作: 29033
粉丝: 810
加入时间:2023-06-16
模型信息
图纸ID:2517887
图纸格式:dwg,pdf
文件大小:905.62KB
所需金币:200
上传时间:2025-08-11 21:23:57
是否可编辑:可修改,包括参数
软件版本:AutoCAD 2007
标签
图纸简介
版权说明
用户在本站上传的作品如侵犯到您的权益,请与本站管理员联系删除。用户在本站下载的原创作品,只拥有作品的使用权,著作权归原作者所有,未经合法授权,用户不得以任何形式发布、传播、复制、转售该作品。
作者其它图纸 查看更多
AI渲染-将平面图渲染为真实效果图
原图
渲染图
正在渲染中,请稍候...

0.png)
0.png)
0.png)
0.png)
0.png)