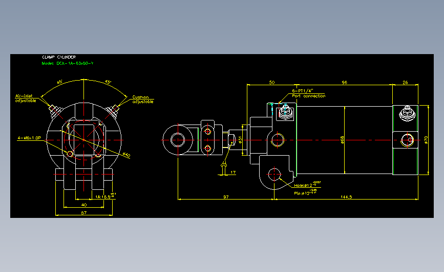
SAU标准气缸系列[SAU-63X50](ID:253444)
# | 文件名称 | 文件大小 |
---|---|---|
1 | S(A)U标准气缸系列[S(A)U-63X50].sldasm | 622.52K |
2 | S(A)U标准气缸系列[S(A)U-63X50]_活塞杆.sldprt | 407.88K |
3 | S(A)U标准气缸系列[S(A)U-63X50]_缸体.sldprt | 682.38K |
4 | 重复_活塞杆.SLDPRT | 407.61K |
5 | 重复_缸体.SLDPRT | 681.78K |
此图纸下载需要5金币
立即下载
发布者
过了夏天就立秋
创作: 137885
粉丝: 351
加入时间:2022-04-21

模型信息
图纸格式:sldasm,sldprt
文件大小:0KB
所需金币:5
上传时间:2022-05-01 18:59:09
是否可编辑:可修改,包括参数
版本:SOLIDWORKS 2018
标签
图纸简介
版权说明
用户在本站上传的作品如侵犯到您的权益,请与本站管理员联系删除。用户在本站下载的原创作品,只拥有作品的使用权,著作权归原作者所有,未经合法授权,用户不得以任何形式发布、传播、复制、转售该作品。
作者其它图纸 查看更多
猜你喜欢