J314-基于单片机的乒乓球发球机构设计及运动仿真设计【CAD图纸+说明书】(ID:2586158)
| # | 文件名称 | 文件大小 |
|---|---|---|
| 1 | 1756780919424.zip | 21.98M |
| 2 | 001螺旋上球器_A4.bak | 122.66K |
| 3 | 001螺旋上球器_A4.dwg | 136.66K |
| 4 | 002空心导球管1_A2.bak | 144.69K |
| 5 | 002空心导球管1_A2.dwg | 189.00K |
| 6 | 003机座_A0.bak | 198.50K |
| 7 | 003机座_A0.dwg | 181.31K |
| 8 | 004拨球器_A4.bak | 100.72K |
| 9 | 004拨球器_A4.dwg | 124.97K |
| 10 | 005储球器_A2.bak | 138.97K |
| 11 | 005储球器_A2.dwg | 155.88K |
| 12 | 006空心导球管2_A2.bak | 98.59K |
| 13 | 006空心导球管2_A2.dwg | 147.16K |
| 14 | 007发球机构支架_A4.bak | 88.63K |
| 15 | 007发球机构支架_A4.dwg | 137.19K |
| 16 | 008摩擦轮_A4.bak | 81.88K |
| 17 | 008摩擦轮_A4.dwg | 131.44K |
| 18 | 009发球口_A4.bak | 120.59K |
| 19 | 009发球口_A4.dwg | 136.69K |
| 20 | 010空心导球管3(螺旋软管)_A2.bak | 505.63K |
| 21 | 010空心导球管3(螺旋软管)_A2.dwg | 452.06K |
| 22 | 011半圆盘圆柱齿轮_A3.bak | 81.88K |
| 23 | 011半圆盘圆柱齿轮_A3.dwg | 128.94K |
| 24 | 012圆柱齿轮_A4.bak | 79.41K |
| 25 | 012圆柱齿轮_A4.dwg | 126.47K |
| 26 | 013齿条_A2.bak | 81.63K |
| 27 | 013齿条_A2.dwg | 128.97K |
| 28 | 014总装配图_A0.bak | 3.05M |
| 29 | 014总装配图_A0.dwg | 2.65M |
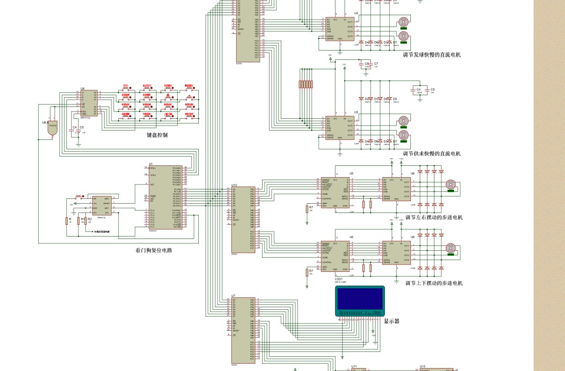
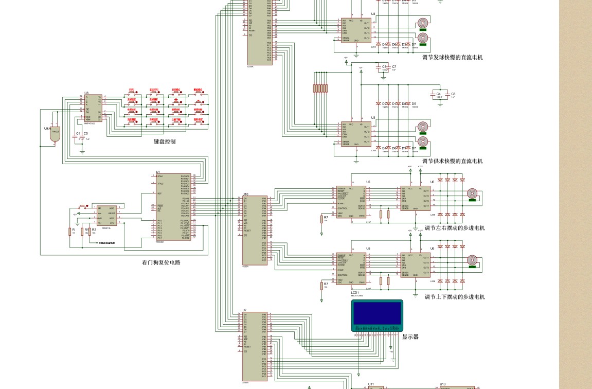
| 30 | 015乒乓球发球机控制系统总电路图_A3.bak | 209.00K |
| 31 | 015乒乓球发球机控制系统总电路图_A3.dwg | 264.53K |
| 32 | 015乒乓球发球机控制系统总电路图_A31-2.pdf | 133.56K |
| 33 | 016乒乓球运动轨迹MATLAB仿真程序.doc | 451.50K |
| 34 | 017乒乓球发球机控制系统程序_C.doc | 131.50K |
| 35 | CAD装配图.jpg | 422.91K |
| 36 | 基于单片机的乒乓球发球机构设计及运动仿真设计.doc | 4.12M |
| 37 | 基于单片机的乒乓球发球机构设计及运动仿真设计答辩PPT.ppt | 4.12M |
| 38 | 实物视频.wmv | 692.08K |
| 39 | 文件.jpg | 82.86K |
| 40 | 说明书.jpg | 193.96K |
| 41 | cad图.gif | 30.01K |
| 42 | H7QFRO4S6BV[3`7]ZJASY.jpg | 184.61K |
| 43 | OGVZ73MP_6KS87GS[W9.jpg | 47.93K |
| 44 | picture-2ae6835a893705d4669337182c906feb.jpg | 140.41K |
| 45 | picture-466dcabc2af552b1161a48c668b59865.jpg | 122.60K |
| 46 | picture-9a277dc79e716c34dc0bf6cfc0ef24ae.jpg | 129.93K |
| 47 | picture-c9c3fa8d10fd4baaa216e1aaede50e5e.jpg | 413.68K |
| 48 | picture-f2b7595c70e0036e8cbafa2224c637f3.jpg | 340.35K |
| 49 | QQ截图20130201214745.gif | 22.41K |
| 50 | (00主要图纸预览.doc | 756.50K |
| 51 | 111.jpg | 140.41K |
| 52 | jietu20210327175040.jpg | 52.91K |
| 53 | jietu20210327175117.jpg | 171.75K |
| 54 | jietu20210327175137.jpg | 81.14K |
| 55 | jietu20210327175147.jpg | 74.55K |
| 56 | jietu20210327175159.jpg | 129.07K |
| 57 | jietu20210327175213.jpg | 48.65K |
| 58 | jietu20210327175222.jpg | 39.81K |
此图纸下载需要245金币
立即下载
发布者
拼搏的高山
创作: 6443
粉丝: 78
加入时间:2023-12-13
模型信息
图纸格式:dwg,pdf
文件大小:22.51M
所需金币:245
上传时间:2025-09-02 10:42:19
是否可编辑:可修改,包括参数
版本:AutoCAD 2007
标签
图纸简介
版权说明
用户在本站上传的作品如侵犯到您的权益,请与本站管理员联系删除。用户在本站下载的原创作品,只拥有作品的使用权,著作权归原作者所有,未经合法授权,用户不得以任何形式发布、传播、复制、转售该作品。
作者其它图纸 查看更多
猜你喜欢





















