轮毂清粉室设计图纸(ID:2631383)
| # | 文件名称 | 文件大小 |
|---|---|---|
| 1 | 17579278133266.zip | 796.74K |
| 2 | 轮毂清粉室设计图纸.dwg | 972.03K |
此图纸下载需要150金币
立即下载
发布者
安详的橘子
创作: 656
粉丝: 20
加入时间:2024-05-23
模型信息
图纸格式:dwg
文件大小:815.86KB
所需金币:150
上传时间:2025-09-15 17:16:54
是否可编辑:可修改,包括参数
版本:AutoCAD 2013
标签
图纸简介
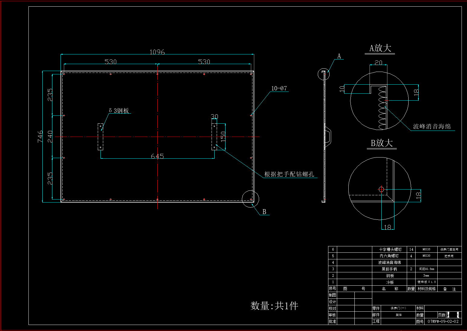
此附件为某公司汽车轮毂涂装线中的轮毂清粉室详细设计图纸,主要用于轮毂喷粉后,收集表面残留多余粉,包括清粉室总图、骨架、壁板以及检修门等,是成熟设备,欢迎下载
版权说明
用户在本站上传的作品如侵犯到您的权益,请与本站管理员联系删除。用户在本站下载的原创作品,只拥有作品的使用权,著作权归原作者所有,未经合法授权,用户不得以任何形式发布、传播、复制、转售该作品。
猜你喜欢





0.png)