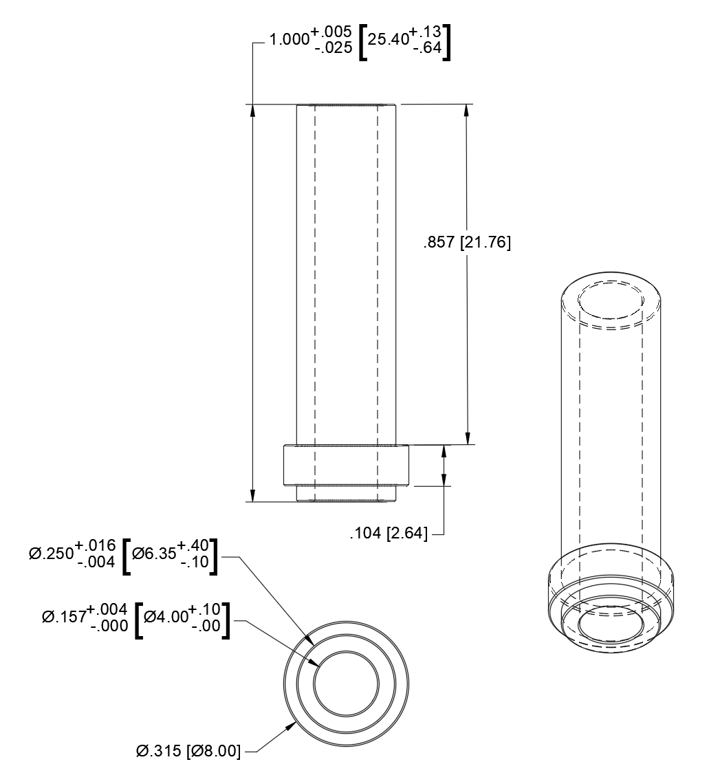
SSP套件前轮衬套 - 铝制,内径4毫米,长度1英寸(ID:2722957)
# | 文件名称 | 文件大小 |
---|---|---|
1 | 17604930834388.zip | 2.54M |
2 | Custom1inAluminumBushingv5.step | 19.44K |
3 | frontwheelbushings.jpg | 2.44M |
4 | Fusion360_DHsEXgV988.png | 79.18K |
此图纸下载需要20金币
立即下载
发布者
任性的百合
创作: 192109
粉丝: 178
加入时间:2024-09-01

模型信息
图纸格式:step
文件大小:2.6M
所需金币:20
上传时间:2025-10-15 09:51:24
是否可编辑:可修改,包括参数
版本:STEP
标签
图纸简介
版权说明
用户在本站上传的作品如侵犯到您的权益,请与本站管理员联系删除。用户在本站下载的原创作品,只拥有作品的使用权,著作权归原作者所有,未经合法授权,用户不得以任何形式发布、传播、复制、转售该作品。
猜你喜欢