八级某铣床主轴箱设计(ID:2761467)
| # | 文件名称 | 文件大小 |
|---|---|---|
| 1 | 17612245938371.zip | 643.61K |
| 2 | 8级说明书模板.docx | 280.36K |
| 3 | 主轴.dwg | 111.97K |
| 4 | 主轴箱剖面图.dwg | 120.44K |
| 5 | 主轴箱展开图.dwg | 185.75K |
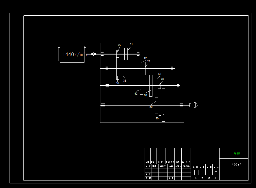
| 6 | 传动系统图.dwg | 29.09K |
| 7 | 箱体.dwg | 146.88K |
| 8 | 转速图.dwg | 63.41K |
| 9 | 轴1上小齿轮分度圆75.dwg | 99.31K |
此图纸下载需要100金币
立即下载
发布者
疯狂的机器猫
创作: 134
粉丝: 0
加入时间:2025-04-05
模型信息
图纸格式:dwg
文件大小:659.06KB
所需金币:100
上传时间:2025-10-23 21:03:14
是否可编辑:可修改,包括参数
版本:AutoCAD 2007
标签
图纸简介
依据题目要求选级数Z=8,因为,根据《机械制造装备设计》查表标准数列。首先找到最小极限速度100,然后每5个跳跃跳过一次。考虑到设计结构的复杂性,使用了传统的扩大型变速器。每个级别的速度系列可以直接从标准数字列表中找到。根据标准速度系列:
得出主轴的转速数列为100,140,200,200,400,560,800,1120共8级。
版权说明
用户在本站上传的作品如侵犯到您的权益,请与本站管理员联系删除。用户在本站下载的原创作品,只拥有作品的使用权,著作权归原作者所有,未经合法授权,用户不得以任何形式发布、传播、复制、转售该作品。
作者其它图纸 查看更多
猜你喜欢








0.png)
0.png)
0.png)
0.png)
0.png)