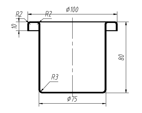
封头复合模冲压模具设计(ID:2820345)
| # | 文件名称 | 文件大小 |
|---|---|---|
| 1 | 17629489046521.zip | 522.89K |
| 2 | 凸模工艺过程卡片.doc | 53.50K |
| 3 | 凹模工艺过程卡片.doc | 56.50K |
| 4 | 模具图纸.dwg | 288.88K |
| 5 | 设计说明书.doc | 526.00K |
此图纸下载需要80金币
立即下载
发布者
疯狂的机器猫
创作: 134
粉丝: 0
加入时间:2025-04-05
模型信息
图纸格式:dwg
文件大小:535.44KB
所需金币:80
上传时间:2025-11-12 20:01:45
是否可编辑:可修改,包括参数
版本:AutoCAD 2004
标签
图纸简介
版权说明
用户在本站上传的作品如侵犯到您的权益,请与本站管理员联系删除。用户在本站下载的原创作品,只拥有作品的使用权,著作权归原作者所有,未经合法授权,用户不得以任何形式发布、传播、复制、转售该作品。
作者其它图纸 查看更多
猜你喜欢





0.png)