台式电脑风扇自动装配(ID:397535)
# | 文件名称 | 文件大小 |
---|---|---|
1 | 16693923908601.zip | 14.28M |
2 | 360截图20211219213811590.jpg | 60.38K |
3 | 360截图20211219213817045.jpg | 96.72K |
4 | 360截图20211219213825263.jpg | 46.96K |
5 | 360截图20211219213829297.jpg | 40.48K |
6 | 台式电脑风扇自动装配.stp | 81.13M |
此图纸下载需要150金币
立即下载
发布者
落后的皮皮虾
创作: 68110
粉丝: 391
加入时间:2022-09-02

模型信息
图纸格式:stp
文件大小:14.63M
所需金币:150
上传时间:2022-11-26 00:06:40
是否可编辑:可修改,不包括参数
版本:STEP
标签
台式
电脑
风扇
装配
台式电脑风扇自动装配
图纸简介
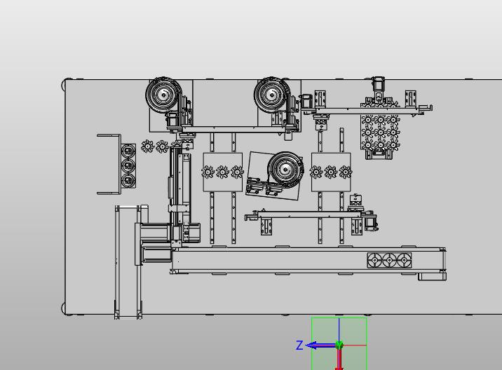
台式电脑风扇自动装配:采用机械手进行装配风扇和外壳,前部设置有自动贴标和自动装盒设备,实现组装和下料,提供STP下载,如果感兴趣,欢迎下载。
版权说明
用户在本站上传的作品如侵犯到您的权益,请与本站管理员联系删除。用户在本站下载的原创作品,只拥有作品的使用权,著作权归原作者所有,未经合法授权,用户不得以任何形式发布、传播、复制、转售该作品。