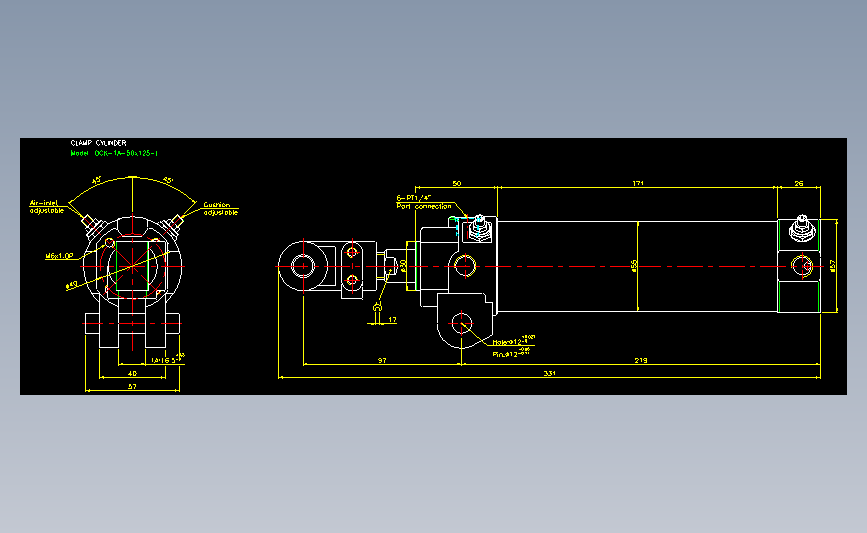
气立可CHELIC气动元件2D-DCK-1B-50x125-Y(ID:431164)
# | 文件名称 | 文件大小 |
---|---|---|
1 | 16717181476132.rar | 66.15K |
2 | 气立可CHELIC气动元件2D-DCK-1B-50x125-Y.dwg | 206.61K |
此图纸下载需要10金币
立即下载
发布者
我爱西红柿
创作: 212113
粉丝: 242
加入时间:2020-12-24

模型信息
图纸格式:dwg
文件大小:67.74KB
所需金币:10
上传时间:2022-12-22 22:09:07
是否可编辑:可修改,包括参数
版本:AutoCAD 2000
标签
图纸简介
版权说明
用户在本站上传的作品如侵犯到您的权益,请与本站管理员联系删除。用户在本站下载的原创作品,只拥有作品的使用权,著作权归原作者所有,未经合法授权,用户不得以任何形式发布、传播、复制、转售该作品。
猜你喜欢