CA6140车床拨叉零件831005工艺规程及铣槽夹具设计(ID:481580)
| # | 文件名称 | 文件大小 |
|---|---|---|
| 1 | 16759530529984.zip | 896.01K |
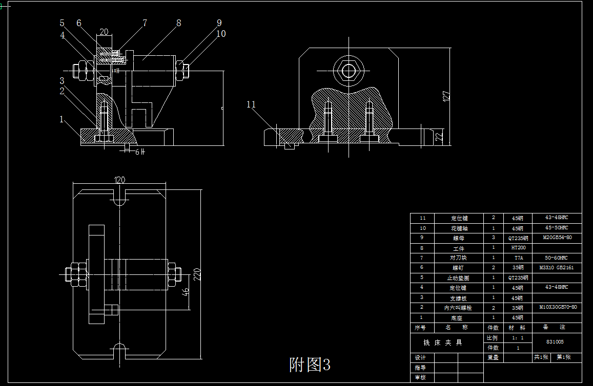
| 2 | 831005夹具装配图.dwg | 91.98K |
| 3 | Thumbs.db | 32.50K |
| 4 | 夹具零件图.dwg | 72.40K |
| 5 | 夹具零件图.png | 13.90K |
| 6 | 工序卡片.doc | 113.50K |
| 7 | 拨叉毛坯图.png | 11.86K |
| 8 | 拨叉零件图.png | 17.84K |
| 9 | 机械加工工艺过程卡片6张.png | 202.16K |
| 10 | 械加工工序卡片6张.png | 86.34K |
| 11 | 毛坯图.dwg | 69.81K |
| 12 | 说明书.doc | 201.50K |
| 13 | 说明书.png | 302.53K |
| 14 | 铣削夹具装配图.png | 39.41K |
| 15 | 零件图.dwg | 120.73K |
此图纸下载需要45金币
立即下载
发布者
模型资源社
创作: 212765
粉丝: 250
加入时间:2020-12-24
模型信息
图纸格式:dwg
文件大小:917.52KB
所需金币:45
上传时间:2023-02-09 22:30:52
是否可编辑:可修改,包括参数
版本:AutoCAD 2000
标签
图纸简介
版权说明
用户在本站上传的作品如侵犯到您的权益,请与本站管理员联系删除。用户在本站下载的原创作品,只拥有作品的使用权,著作权归原作者所有,未经合法授权,用户不得以任何形式发布、传播、复制、转售该作品。
作者其它图纸 查看更多
猜你喜欢

0.png)



0.png)
0.png)
0.png)



