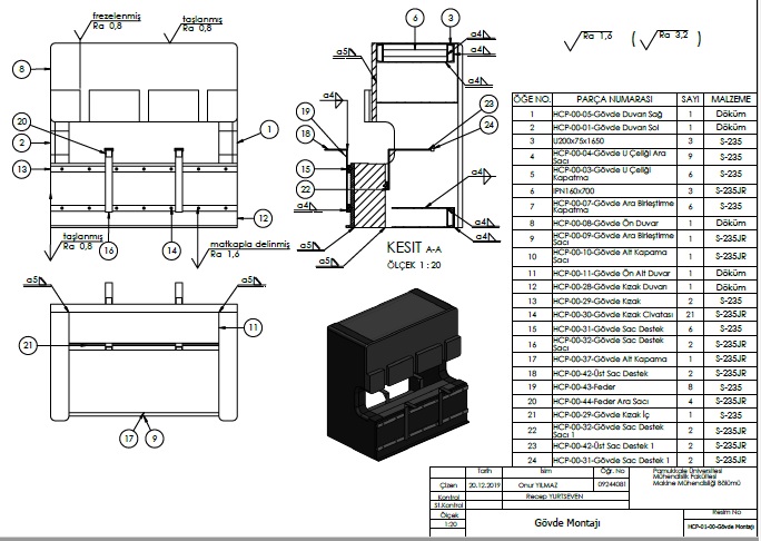
100吨的液压机(ID:495829)
截图
AI截图渲染
✨AI图片渲染
| # | 文件名称 | 文件大小 |
|---|---|---|
| 1 | 16767920909583.zip | 719.71K |
| 2 | 1.jpg | 52.19K |
| 3 | 2.jpg | 48.76K |
| 4 | 3.jpg | 55.36K |
| 5 | 4.jpg | 84.99K |
| 6 | 5.jpg | 126.75K |
| 7 | HCP-05-00-Tüm Montaj.STEP | 2.32M |
此图纸下载需要15金币
立即下载
发布者
每逢大事有静气
创作: 30540
粉丝: 483
加入时间:2022-08-18
模型信息
图纸ID:495829
图纸格式:step
文件大小:736.98KB
所需金币:15
上传时间:2023-02-19 15:34:50
是否可编辑:可修改,包括参数
软件版本:STEP
标签
图纸简介
版权说明
用户在本站上传的作品如侵犯到您的权益,请与本站管理员联系删除。用户在本站下载的原创作品,只拥有作品的使用权,著作权归原作者所有,未经合法授权,用户不得以任何形式发布、传播、复制、转售该作品。
AI渲染-将平面图渲染为真实效果图
原图
渲染图
正在渲染中,请稍候...

0.png)





3.png)
1.png)
4.png)
2.png)