PLC在高楼供水系统中的应用[电][西门子](PLC类)【4张CAD图纸】(ID:754129)
# | 文件名称 | 文件大小 |
---|---|---|
1 | 16982067178172.zip | 332.44K |
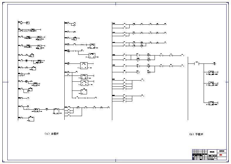
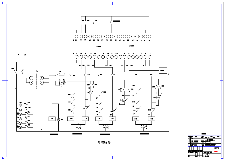
2 | A0-控制电路.dwg | 223.99K |
3 | A0-梯形图.dwg | 277.23K |
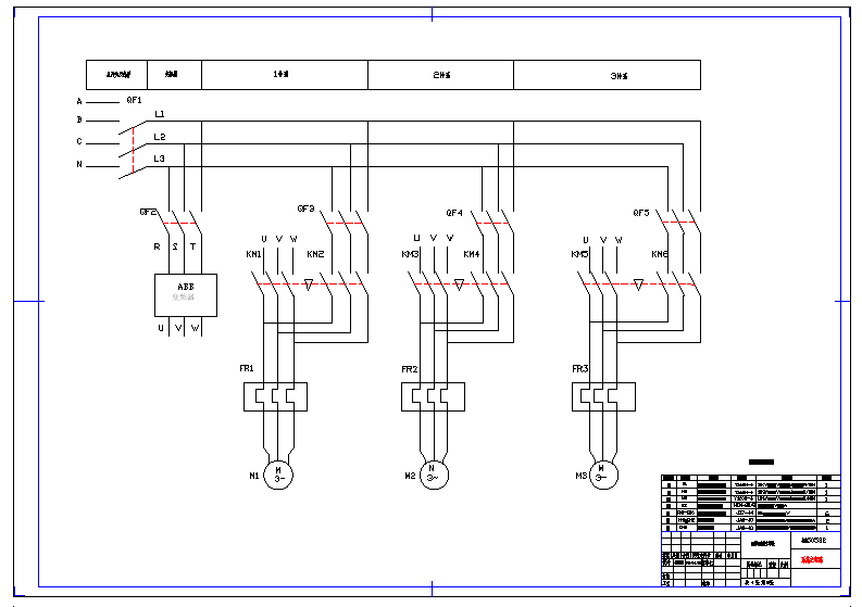
4 | A1-系统主电路.dwg | 140.24K |
5 | A1-系统原理图.dwg | 77.13K |
6 | 内容简介和字数统计.txt | 151B |
7 | 封面(1页).doc | 11.00K |
8 | 目录摘要(3页).doc | 22.00K |
9 | 翻译.doc | 48.50K |
10 | 设计任务书(1页).doc | 25.00K |
11 | 设计说明书(20页).doc | 149.50K |
12 | 调研报告(4页).doc | 28.00K |
此图纸下载需要200金币
立即下载
发布者
懵懂得帽子
创作: 24596
粉丝: 677
加入时间:2023-06-16

模型信息
图纸格式:dwg
文件大小:340.42KB
所需金币:200
上传时间:2023-10-25 12:05:17
是否可编辑:可修改,包括参数
版本:AutoCAD 2000
标签
图纸简介
版权说明
用户在本站上传的作品如侵犯到您的权益,请与本站管理员联系删除。用户在本站下载的原创作品,只拥有作品的使用权,著作权归原作者所有,未经合法授权,用户不得以任何形式发布、传播、复制、转售该作品。
作者其它图纸 查看更多