立磨机加压系统设计【含CAD图纸】(ID:754303)
# | 文件名称 | 文件大小 |
---|---|---|
1 | 16982103337284.zip | 1013.79K |
2 | 0加压装置.dwg | 70.00K |
3 | 字数统计.jpg | 46.02K |
4 | 摘要.doc | 27.00K |
5 | 活塞.dwg | 49.28K |
6 | 活塞杆.dwg | 78.72K |
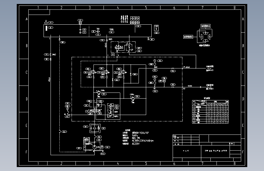
7 | 液压原理图.dwg | 466.16K |
8 | 液压缸.dwg | 80.59K |
9 | 磨盘.dwg | 92.56K |
10 | 立磨机加压系统设计说明书.doc | 765.50K |
11 | 缸体.dwg | 89.16K |
12 | 缸盖、连接杆.dwg | 58.28K |
此图纸下载需要200金币
立即下载
发布者
愉快的咖啡豆
创作: 24724
粉丝: 686
加入时间:2023-06-16

模型信息
图纸格式:dwg
文件大小:1.01M
所需金币:200
上传时间:2023-10-25 13:05:34
是否可编辑:可修改,包括参数
版本:AutoCAD 2007
标签
图纸简介
版权说明
用户在本站上传的作品如侵犯到您的权益,请与本站管理员联系删除。用户在本站下载的原创作品,只拥有作品的使用权,著作权归原作者所有,未经合法授权,用户不得以任何形式发布、传播、复制、转售该作品。
作者其它图纸 查看更多