川崎cx110L工业机器人三维模型和资料(ID:796273)
| # | 文件名称 | 文件大小 |
|---|---|---|
| 1 | 17002790147600.zip | 21.55M |
| 2 | 1CX110L外观图1.png | 46.96K |
| 3 | 2CX110L外观图.png | 124.19K |
| 4 | 3CX110L-法兰图.jpg | 58.23K |
| 5 | 4CX110L规格表.png | 84.12K |
| 6 | 5CX110L-机器人底座图.jpg | 61.39K |
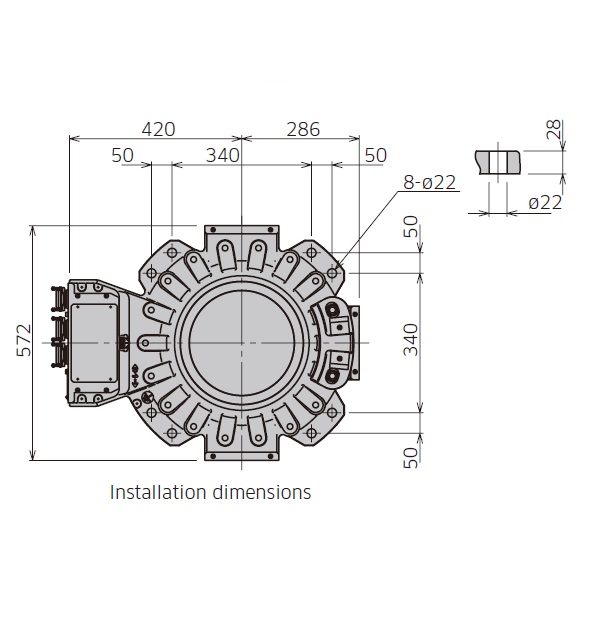
| 7 | 6CX110L二维运动区域图.jpg | 94.88K |
| 8 | CX110L-BC01_.7z | 2.35M |
| 9 | CX110L-DXF.7z | 1.49M |
| 10 | CX110L文档.7z | 6.33M |
| 11 | CX110L-BC01.stp | 16.00M |
| 12 | 1_cx210l_bc01.DXF | 6.41M |
| 13 | 1_cx210l_bc01.dxf.dwg | 1.81M |
| 14 | 1_cx210l_bc01.DXF | 6.41M |
| 15 | 1_cx210l_bc01.dxf.dwg | 1.81M |
| 16 | CX110L-BC01.stp | 16.00M |
| 17 | CX110LFE02C04-C.pdf | 1.38M |
| 18 | CX_Series-Installation_and_Connection_Manual-C.pdf | 1.93M |
| 19 | Kawasaki_CX-Series.pdf | 3.83M |
| 20 | CX110LFE02C04-C.pdf | 1.38M |
| 21 | CX_Series-Installation_and_Connection_Manual-C.pdf | 1.93M |
| 22 | Kawasaki_CX-Series.pdf | 3.83M |
此图纸下载需要45金币
立即下载
发布者
whqq
创作: 436
粉丝: 14
加入时间:2023-07-02
模型信息
图纸格式:stp,dxf,dwg,pdf
文件大小:22.07M
所需金币:45
上传时间:2023-11-18 11:43:41
是否可编辑:可修改,不包括参数
版本:STEP
标签
川崎
cx110L
工业机器人
三维模型
图纸简介
版权说明
用户在本站上传的作品如侵犯到您的权益,请与本站管理员联系删除。用户在本站下载的原创作品,只拥有作品的使用权,著作权归原作者所有,未经合法授权,用户不得以任何形式发布、传播、复制、转售该作品。



0.png)
2.png)
3.png)
4.png)




1.png)