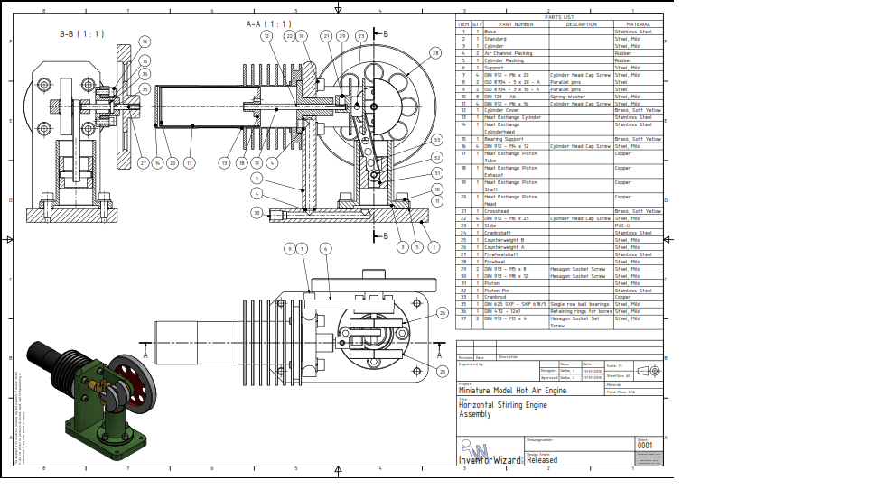
微型卧式斯特林发动机(ID:845781)
# | 文件名称 | 文件大小 |
---|---|---|
1 | 17029741704006.zip | 3.76M |
2 | a.png | 513.59K |
3 | anigif.gif | 605.68K |
4 | b.png | 403.17K |
5 | HorizontalStirlingAssembly.igs | 1.96M |
6 | HorizontalStirlingAssembly.ipt.iam | 145.50K |
7 | stirlingengine.png | 169.06K |
此图纸下载需要15金币
立即下载
发布者
我爱西红柿
创作: 212113
粉丝: 243
加入时间:2020-12-24

模型信息
图纸格式:igs,iam
文件大小:3.85M
所需金币:15
上传时间:2023-12-19 16:22:56
是否可编辑:可修改,包括参数
版本:Inventor
标签
图纸简介
版权说明
用户在本站上传的作品如侵犯到您的权益,请与本站管理员联系删除。用户在本站下载的原创作品,只拥有作品的使用权,著作权归原作者所有,未经合法授权,用户不得以任何形式发布、传播、复制、转售该作品。
猜你喜欢