年产6万吨苯加氢制环己烷生产线设计CAD+说明(ID:993698)
# | 文件名称 | 文件大小 |
---|---|---|
1 | 17094814863016.zip | 10.00M |
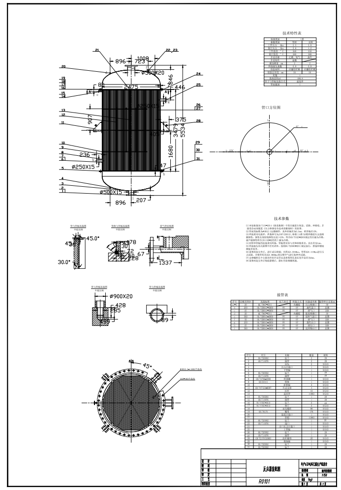
2 | A0-反应器装配图.png | 147.44K |
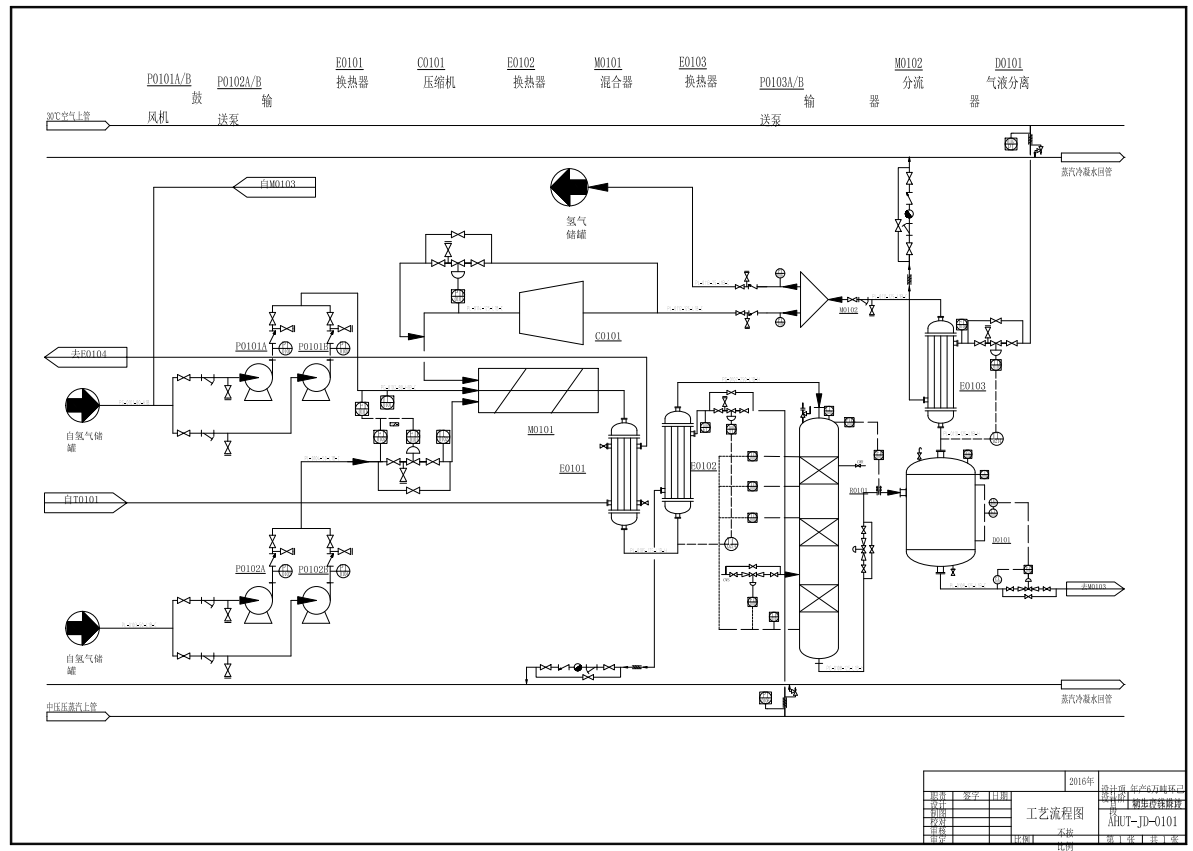
3 | A1-工艺流程图.png | 132.76K |
4 | A1-工艺流程图PID.png | 114.86K |
5 | 微信截图_20230809170546.png | 24.12K |
6 | 消防设施布置图.png | 112.27K |
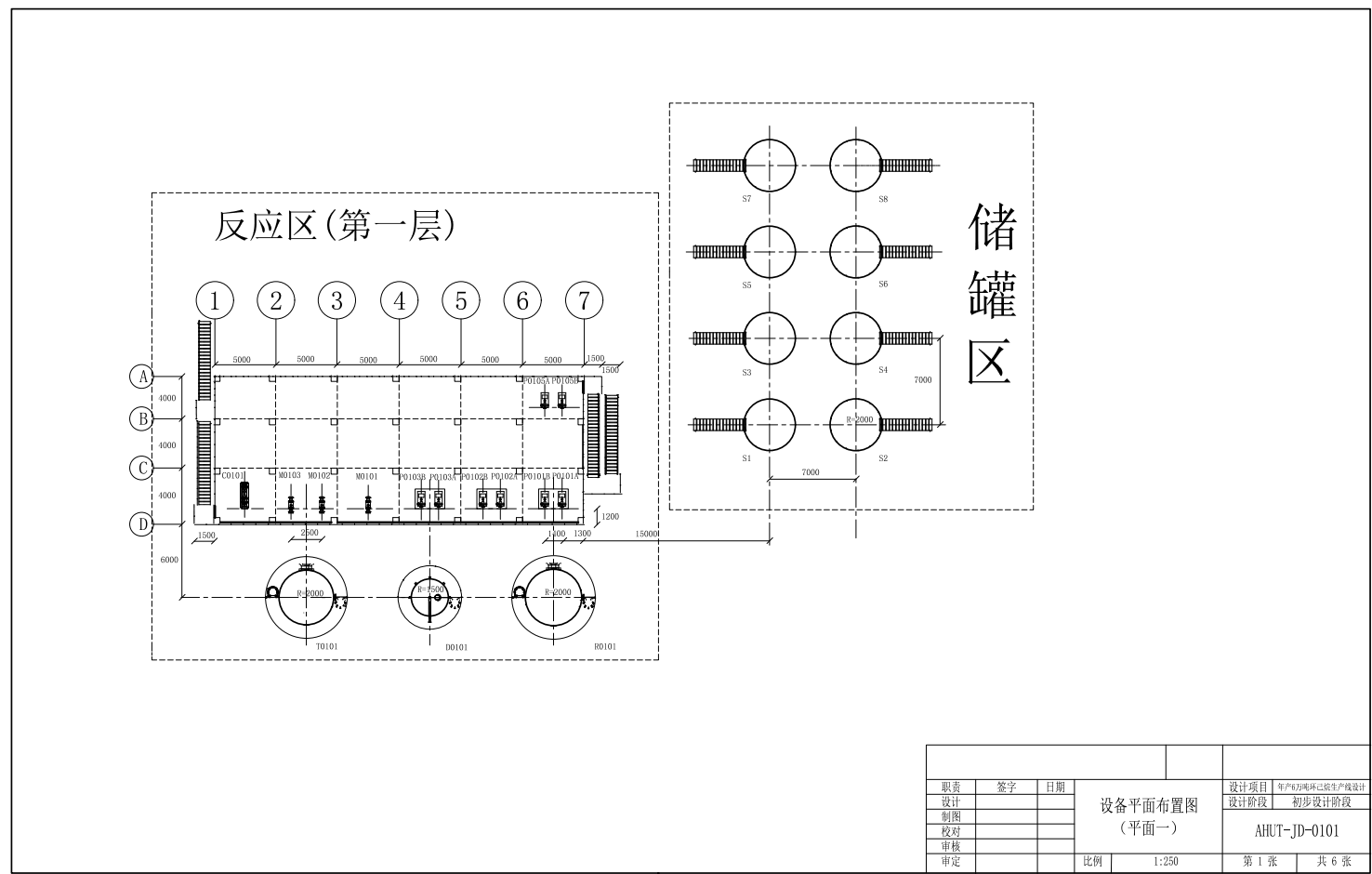
7 | 设备平面布置图.png | 141.01K |
8 | 说明书目录.png | 297.27K |
9 | A0-反应器装配图.dwg | 243.09K |
10 | A1-工艺流程图PFD.dwg | 66.56K |
11 | A1-工艺流程图PID.dwg | 153.03K |
12 | R0101反应器设计说明书.docx | 439.14K |
13 | 安全设备清单.docx | 16.85K |
14 | 安全预评价.docx | 857.32K |
15 | 消防设施布置图.dwg | 146.63K |
16 | 物料衡算表.dwg | 58.31K |
17 | 设备平面布置图.dwg | 5.99M |
18 | 设备选型一览表.docx | 50.58K |
19 | 说明书.docx | 1.89M |
此图纸下载需要195金币
立即下载
发布者
傲娇的康乃馨
创作: 6985
粉丝: 373
加入时间:2023-10-21

模型信息
图纸格式:dwg
文件大小:10.24M
所需金币:195
上传时间:2024-03-03 23:58:07
是否可编辑:可修改,包括参数
版本:AutoCAD 2007
标签
图纸简介
版权说明
用户在本站上传的作品如侵犯到您的权益,请与本站管理员联系删除。用户在本站下载的原创作品,只拥有作品的使用权,著作权归原作者所有,未经合法授权,用户不得以任何形式发布、传播、复制、转售该作品。
作者其它图纸 查看更多