年产25万吨的合成氨车间设计CAD+说明(ID:993702)
| # | 文件名称 | 文件大小 |
|---|---|---|
| 1 | 17094814942590.zip | 4.10M |
| 2 | A1-工艺物料流程图PFD.png | 106.79K |
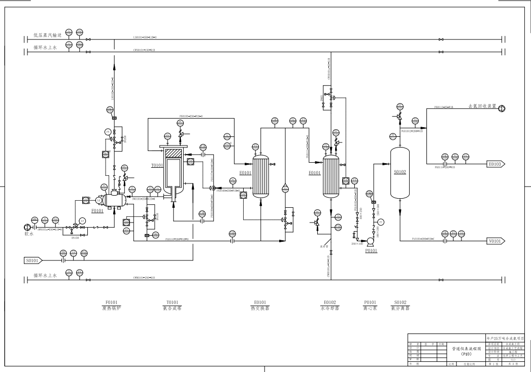
| 3 | A1-带控制点的工艺流程图.png | 88.52K |
| 4 | A1-首页图.png | 200.08K |
| 5 | 微信截图_20230809170653.png | 16.36K |
| 6 | 说明书目录.png | 204.12K |
| 7 | A1-工艺物料流程图PFD.dwg | 1.08M |
| 8 | A1-带控制点的工艺流程图PID.dwg | 943.56K |
| 9 | A1-首页图.dwg | 180.16K |
| 10 | 档案袋封面.doc | 249.50K |
| 11 | 设计任务书:年产25万吨的合成氨车间设计.doc | 32.50K |
| 12 | 设计说明.doc | 330.50K |
| 13 | 说明书.doc | 5.49M |
此图纸下载需要195金币
立即下载
发布者
傲娇的康乃馨
创作: 6985
粉丝: 385
加入时间:2023-10-21
模型信息
图纸格式:dwg
文件大小:4.2M
所需金币:195
上传时间:2024-03-03 23:58:15
是否可编辑:可修改,包括参数
版本:AutoCAD 2007
标签
图纸简介
版权说明
用户在本站上传的作品如侵犯到您的权益,请与本站管理员联系删除。用户在本站下载的原创作品,只拥有作品的使用权,著作权归原作者所有,未经合法授权,用户不得以任何形式发布、传播、复制、转售该作品。








