某炼油厂12米跨厂房结构图(ID:1640071)
# | 文件名称 | 文件大小 |
---|---|---|
1 | 17292967196333.zip | 702.07K |
2 | 湖南某炼油厂12米跨厂房结构图.dwg | 1.84M |
此图纸下载需要45金币
立即下载
发布者
辛奇迹
创作: 2477
粉丝: 8
加入时间:2023-03-15

模型信息
图纸格式:dwg
文件大小:718.92KB
所需金币:45
上传时间:2024-10-19 08:12:02
是否可编辑:可修改,包括参数
版本:AutoCAD 2000
标签
图纸简介
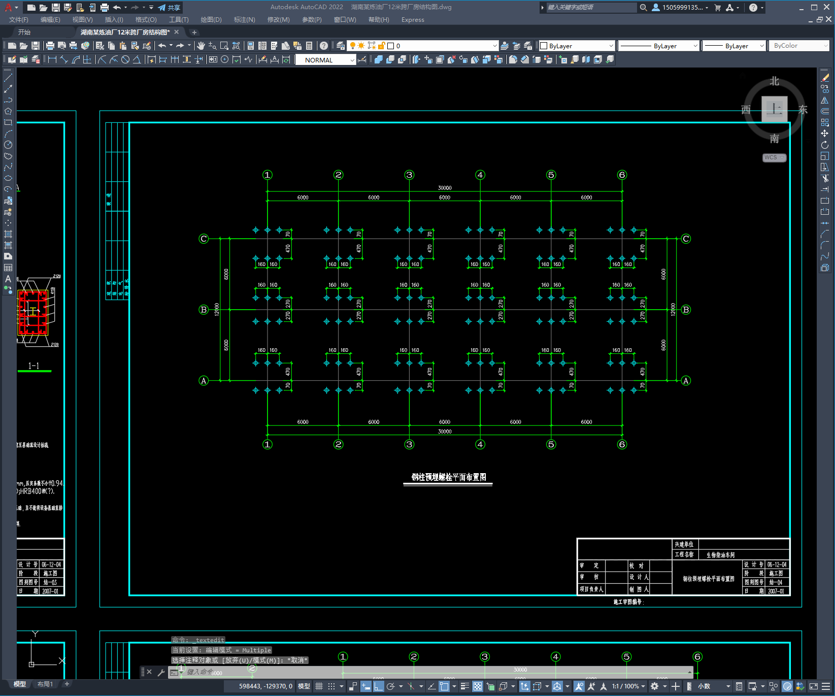
本次设计为:湖南某炼油厂12米跨厂房结构图
本钢结构工程采用钢结构,抗震设防类别丙类,设防烈度6度,设计地震分组为第一组, 设计基本地震加速度0.05g。抗震等级四级,结构安全等级为二级,场地类别为二类,结构可靠度基准期50年。
基本风压:0.35KN/㎡
基本雪载:0.45KN/㎡
结构几何尺寸:12米*30米
图纸包括:
钢结构施工图设计总说明、钢柱及刚架平面布置图、基础平面布置图及详图、钢柱预埋螺栓平面布置图、GJ-1,GJ-2剖面图及详图、GJ-3,GJ-4剖面图及详图、柱间支撑布置图、二层钢梁平面布置图及详图、屋面支撑布置图、屋面檩条布置图共10张图纸。
版权说明
用户在本站上传的作品如侵犯到您的权益,请与本站管理员联系删除。用户在本站下载的原创作品,只拥有作品的使用权,著作权归原作者所有,未经合法授权,用户不得以任何形式发布、传播、复制、转售该作品。
作者其它图纸 查看更多