扬子石化年产10万吨异丙醇项目初步设计(ID:2695954)
# | 文件名称 | 文件大小 |
---|---|---|
1 | 17593836754884.zip | 346.58M |
2 | readme.txt | 1.07K |
3 | 文档评分索引.docx | 835.83K |
4 | 1-可行性分析.docx | 2.67M |
5 | 2-初步设计说明.docx | 7.36M |
6 | 3-创新性说明.docx | 1.82M |
7 | 4-1反应器设计说明书.docx | 2.03M |
8 | 4-2塔设备选型说明书.docx | 2.09M |
9 | 4-3换热器设计选型说明书.docx | 3.60M |
10 | 4-4其他设备设计说明书.docx | 2.25M |
11 | 5-安全预评估报告.docx | 2.20M |
12 | 6-环境影响评估报告.docx | 5.78M |
13 | 7-换热网络设计说明书.docx | 1.28M |
14 | 附录1-物料衡算一览表.docx | 859.20K |
15 | 附录10-水集成评估报告.docx | 1.39M |
16 | 附录11-E0106校核.docx | 685.32K |
17 | 附录2-能量衡算一览表.docx | 1.03M |
18 | 附录3-设备选型一览表.docx | 853.69K |
19 | 附录4-绿色发展之中国制造2025.docx | 1.28M |
20 | 附录5-MSDS一览表.docx | 1.01M |
21 | 附录6-公用工程协议方案.docx | 968.98K |
22 | 附录7-噪音监测评估报告.docx | 4.96M |
23 | 附录8-泄露分析报告.docx | 4.92M |
24 | 附录9-经济分析报告.docx | 1.08M |
25 | PFD工艺流程图.dwg | 1.39M |
26 | plot.log | 7.36K |
27 | pid管道及仪表流程图(2004版本).dwg | 1.76M |
28 | plot.log | 11.21K |
29 | E0209设备条件图.dwg | 263.86K |
30 | plot.log | 1.01K |
31 | R0101设备条件图.dwg | 263.19K |
32 | T0301设备条件图(2004.dwg | 263.56K |
33 | 厂区总平面布置图.dwg | 895.08K |
34 | plot.log | 10.56K |
35 | 精制工段设备平立面布置图.dwg | 506.63K |
36 | 精制工段三维车间.dwg | 11.63M |
37 | 精制工段三维车间配管.dwg | 14.71M |
38 | 俯视图.jpg | 218.05K |
39 | 储罐区.jpg | 166.95K |
40 | 厂前区.jpg | 300.85K |
41 | 厂区俯视全貌.jpg | 175.09K |
42 | 厂区西南视图.jpg | 343.74K |
43 | 消防水池.jpg | 183.58K |
44 | 生产区.jpg | 320.87K |
45 | 生产车间.jpg | 79.71K |
46 | 生活区.jpg | 377.67K |
47 | 西南视角.jpg | 352.56K |
48 | 辅助生产区.jpg | 339.17K |
49 | 辅助生产区2.jpg | 307.43K |
50 | 辅助生产区3.jpg | 224.36K |
51 | 1-无换热网络-无热泵技术.bkp | 1.30M |
52 | 2-无换热网络-热泵技术.bkp | 1.42M |
53 | 3-有换热网络-热泵技术.bkp | 1.63M |
54 | 全流程运行视频.mp4 | 5.13M |
55 | 丙烯气相直接水合法动力学说明.docx | 188.49K |
56 | 丙烯水合制异丙醇工艺的全流程模拟.caj | 4.46M |
57 | 丙烯水合反应器数学模型_潘立登.pdf | 318.21K |
58 | 主反应动力学方程.png | 41.85K |
59 | 基本有机化工工艺学-第八章.pdf | 24.14M |
60 | 指前因子k0.png | 89.13K |
61 | 速率常数Kp.png | 56.97K |
62 | 1-无热泵技术.bkp | 257.47K |
63 | 2-有热泵技术.bkp | 429.22K |
64 | 无热泵精馏负荷.png | 199.20K |
65 | 有热泵精馏(压缩机负荷).png | 214.24K |
66 | 有热泵精馏(塔底再沸器负荷).png | 206.20K |
67 | 有热泵精馏(塔顶冷凝器负荷).png | 205.66K |
68 | T0301原料进料板优化1.png | 66.99K |
69 | T0301回流比优化1.png | 78.87K |
70 | T0301理论塔板数优化1.png | 48.85K |
71 | T0301萃取剂用量优化1.png | 84.01K |
72 | T0301萃取剂进料板优化.png | 57.16K |
73 | T0301(原料进料板优化).bkp | 474.28K |
74 | T0301(回流比优化.bkp | 484.23K |
75 | T0301(理论塔板数优化).bkp | 591.33K |
76 | T0301(萃取剂用量优化).bkp | 467.87K |
77 | T0301(萃取剂进料板优化).bkp | 457.83K |
78 | 1-T0302-DSTWU-NSTAGE.bkp | 339.74K |
79 | 2-T0302萃取剂回收塔-RR-MOLD.bkp | 368.86K |
80 | 3-T0302萃取剂回收塔-FEEDSTAGE-副本.bkp | 377.74K |
81 | 4-T0302萃取剂回收塔-RESULTS.bkp | 364.94K |
82 | T0302(萃取剂回收塔)优化说明.docx | 1.03M |
83 | 异丙醇合成与丙烯回收工段.bkp | 782.03K |
84 | 异丙醇精制工段.bkp | 702.15K |
85 | 粗异丙醇提纯工段.bkp | 718.18K |
86 | 精制工段三维车间配管.dwg | 14.71M |
87 | 厂区位置.png | 701.83K |
88 | 厂区地址.jpg | 167.23K |
89 | 噪声检测评估图.ein | 1.09K |
90 | 噪音分布图.png | 762.94K |
91 | 噪音分布数据表.txt | 70.74K |
92 | 丙烯池火.alo | 4.73K |
93 | 丙烯管道泄露浓度.alo | 4.73K |
94 | 丙烯管道泄露燃烧云.alo | 4.73K |
95 | 丙烯管道泄露爆炸.alo | 4.73K |
96 | 异丙醇池火.alo | 4.73K |
97 | 异丙醇管道泄露浓度.alo | 4.73K |
98 | 异丙醇管道泄露燃烧云.alo | 4.73K |
99 | 异丙醇管道泄露爆炸.alo | 4.73K |
100 | 丙烯压力液化气储罐等爆炸(大孔).rsm | 516B |
101 | 丙烯压力液化气储罐等(气相小孔)泄露.rsm | 504B |
102 | 丙烯在大气中的扩散预测.rsm | 496B |
103 | 丙烯池火燃烧事故模拟.rsm | 195B |
104 | 丙烯泄漏量计算(含液体蒸发).rsm | 125B |
105 | 丙烯液体泄漏量(不含液体蒸发).rsm | 112B |
106 | 丙烯液化气储罐(液下小孔)泄露.rsm | 521B |
107 | 丙烯蒸汽云爆炸事故模拟区域.rsm | 161B |
108 | 沸腾液体扩展蒸气爆炸(火球BLEVE)模型预测.rsm | 206B |
109 | 乙二醇储罐泄露扩散.rsm | 500B |
110 | 乙二醇常压液体储罐泄露模拟.rsm | 511B |
111 | 乙二醇池火事故模拟.rsm | 207B |
112 | 乙二醇泄露量计算(不含液体蒸发).rsm | 117B |
113 | 乙二醇泄露量计算(含液体蒸发).rsm | 116B |
114 | 乙二醇蒸汽爆炸事故模拟.rsm | 165B |
115 | 沸腾液体扩展蒸汽爆炸(火球BLEVE)模拟预测.rsm | 211B |
116 | 异丙醇储罐泄露扩散.rsm | 504B |
117 | 异丙醇常压液体泄露模拟.rsm | 512B |
118 | 异丙醇池火事故模拟.rsm | 210B |
119 | 异丙醇泄漏量计算(不含液体蒸发).rsm | 119B |
120 | 异丙醇泄漏量计算(含液体蒸发).rsm | 118B |
121 | 异丙醇蒸汽爆炸事故模拟.rsm | 166B |
122 | 沸腾液体扩展蒸汽爆炸(火球BLEVE)模拟预测.rsm | 211B |
123 | 水处理.wdf | 131B |
124 | 优化后的水网络.png | 100.67K |
125 | 初步用水网络.png | 138.31K |
126 | 单元操作数据.png | 82.59K |
127 | 最佳用水量.png | 91.60K |
128 | 浓度区间分布.png | 114.13K |
129 | 10万吨丙烯气相水合制备异丙醇HAZOP分析.pdf | 517.59K |
130 | 丙烯中毒.ffta | 8.50K |
131 | 丙烯中毒.jpg | 28.12K |
132 | 丙烯罐区火灾爆炸.ffta | 15.38K |
133 | 丙烯罐区火灾爆炸.jpg | 98.37K |
134 | 管道泄漏.ffta | 12.54K |
135 | 管道泄漏.jpg | 65.63K |
136 | 7-换热网络设计说明书.docx | 1.28M |
137 | 换热网络-无热泵技术.hch | 725.18K |
138 | 换热网络-有热泵技术.hch | 9.22M |
139 | 总组合曲线-无热泵.png | 19.20K |
140 | 总组合曲线-有热泵.png | 20.21K |
141 | 总费用与温差-无热泵.png | 16.79K |
142 | 总费用与温差-有热泵.png | 19.58K |
143 | 温焓图-无热泵.png | 14.49K |
144 | 温焓图-有热泵.png | 19.04K |
145 | T0302动态分析.bkp | 466.68K |
146 | T0302动态分析.dynf | 546.57K |
147 | T0302动态分析dyn.appdf | 607.36K |
148 | 塔板-温度变化率图.png | 24.69K |
149 | 控制器仪表面板.png | 15.31K |
150 | 控制方案.png | 8.57K |
151 | 继电-反馈测试.png | 15.59K |
152 | snapshot.bak | 5.40M |
153 | snpA0000.snp | 4.53M |
154 | snpA0001.snp | 1.88M |
155 | snpA0002.snp | 4.53M |
156 | snpA0003.snp | 2.18M |
157 | snpA0004.snp | 1.90M |
158 | snpA0005.snp | 2.74M |
159 | snpA0006.snp | 2.80M |
160 | snpA0007.snp | 3.10M |
161 | T0302动态分析.rep | 0B |
162 | T0302动态分析dyn.his | 987B |
163 | tasksnap.bak | 3.89K |
164 | 塔釜液位变化1.png | 9.54K |
165 | 塔顶压力变化1.png | 9.85K |
166 | 塔顶液位变化1.png | 11.11K |
167 | 灵敏板温度变化1.png | 12.82K |
168 | 塔釜液位变化1.png | 14.84K |
169 | 塔顶压力变化1.png | 10.13K |
170 | 塔顶回流罐液位变化1.png | 10.99K |
171 | 灵敏板温度变化1.png | 10.33K |
172 | E0106...EDR | 332.89K |
173 | E0209.edr | 336.37K |
174 | T0301填料塔核算.bkp | 786.08K |
175 | T0301填料塔设计.bkp | 785.76K |
176 | 停留时间.mph | 674.59K |
177 | 浓度-停留时间关系图.png | 8.89K |
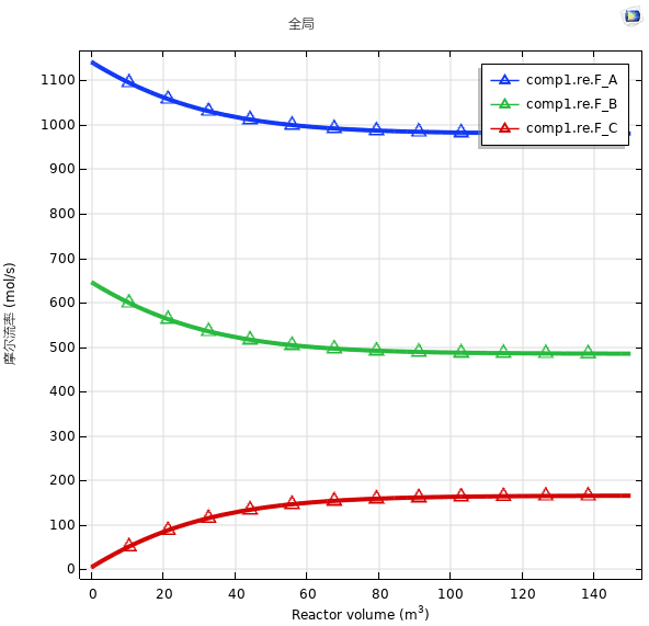
178 | 转化率-停留时间关系图.png | 7.83K |
179 | 反应体积.mph | 731.53K |
180 | 摩尔流率-反应体积关系图.png | 10.09K |
181 | 转化率-反应体积关系图.png | 8.26K |
182 | 丙烯浓度分布图.png | 39.96K |
183 | 工艺软水浓度分布图.png | 39.02K |
184 | 床层压力分布图.png | 39.89K |
185 | 床层温度分布图.png | 36.21K |
186 | 异丙醇浓度分布图.png | 38.41K |
187 | 直接4.0m高度10.2m.mph | 3.91M |
188 | 速度分布图.png | 14.99K |
189 | 丙烯浓度分布图.png | 41.46K |
190 | 工艺软水浓度分布图.png | 40.52K |
191 | 床层压力分布图.png | 39.36K |
192 | 床层温度分布图.png | 37.49K |
193 | 异丙醇浓度分布图.png | 39.97K |
194 | 直接4.1m高度9.7m.mph | 3.88M |
195 | 速度分布图.png | 14.38K |
196 | 丙烯浓度分布图.png | 42.02K |
197 | 工艺软水浓度分布图.png | 41.02K |
198 | 床层压力分布图.png | 42.48K |
199 | 床层温度分布图.png | 38.53K |
200 | 异丙醇浓度分布图.png | 40.08K |
201 | 直接4.2m高度9.4m模拟.mph | 3.82M |
202 | 速度分布图.png | 15.98K |
203 | E0106.fx3 | 26.05K |
204 | E0209.fx3 | 26.05K |
205 | R0101.ty1 | 20.19K |
206 | T0301.ty4 | 35.67K |
207 | V0104.ty1 | 20.19K |
208 | 三维厂区建模.max | 221.69M |
209 | 精制工段三维车间.dwg | 11.63M |
210 | 丙烯气相直接水合法动力学说明.docx | 191.44K |
211 | 丙烯水合制异丙醇工艺的全流程模拟.caj | 4.46M |
212 | 丙烯水合反应器数学模型_潘立登.pdf | 318.21K |
213 | 主反应动力学方程.png | 41.85K |
214 | 基本有机化工工艺学-第八章.pdf | 24.14M |
215 | 指前因子k0.png | 89.13K |
216 | 速率常数Kp.png | 56.97K |
此图纸下载需要520金币
立即下载
发布者
静
创作: 10405
粉丝: 6
加入时间:2025-05-27

模型信息
图纸格式:dwg,pdf
文件大小:354.9M
所需金币:520
上传时间:2025-10-02 13:44:08
是否可编辑:可修改,包括参数
版本:AutoCAD 2004
标签
图纸简介
版权说明
用户在本站上传的作品如侵犯到您的权益,请与本站管理员联系删除。用户在本站下载的原创作品,只拥有作品的使用权,著作权归原作者所有,未经合法授权,用户不得以任何形式发布、传播、复制、转售该作品。
作者其它图纸 查看更多
猜你喜欢